EasyManua.ls Logo

Galaxy G8 - Page 10

Galaxy G8
32 pages
Print Icon
To Next Page IconTo Next Page
To Next Page IconTo Next Page
To Previous Page IconTo Previous Page
To Previous Page IconTo Previous Page
Loading...
10
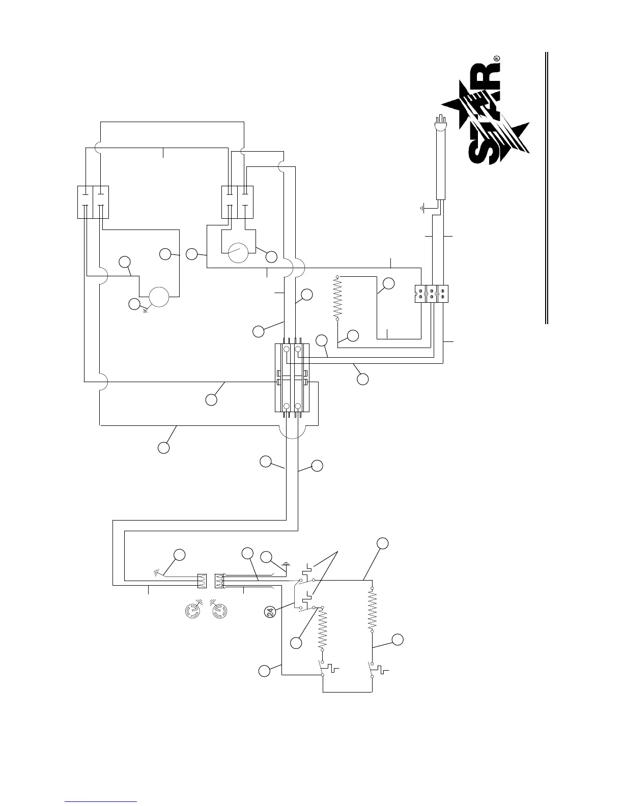
MODEL:
G14 AND G18
THIS DRAWING CONTAINS INFORMATION CONFIDENTIAL TO STAR MFG. INT'L. INC.
NO REPRODUCTION OR DISCLOSURE OF ITS CONTENTS IS PERMITTED.
STAR MANUFACTURING INTERNATIONAL INC.
SK1152 Rev E
1/26/2007
4
3
KETTLE
HEAT
LAMP
AGITATOR
MOTOR
THERMOSTAT
FLEXIBLE
CONDUIT
RECEPTACLE
PLUG
BLACK
10
6
9
11
10
BLACK
WHITE
15
BLACK
WHITE
BLACK
HEATER
KETTLE
HEATER
THERMOSTAT
WHITE
NOTE:
SWITCHES ARE VIEWED FROM TERMINAL SIDE AS MOUNTED ON MACHINE
FOR SWITCH LIGHT TO FUNCTION PROPERLY
CONTACTOR
17
BLACK
12
BLACK
BLACK
BLOCK
TERMINAL
WHITE
FRAME GROUND
CORD SET
HEATER
LOWER
1
BLACK
BLACK
BLACK
WHITE
BLACK
BLACK
BLACK
13
14
WHITE
2
WHITE
BLACK
WHITE
BLACK
(BLUE)
(BROWN)
WHITE
WHITE
5
WIRES #13 AND #14 MUST BE CONNECTED TO TERMINALS AS SHOWN
KETTLE
SWITCH
LAMP
SWITCH
16
HIGH LIMIT
23
THERMOSTAT
8
7
2 PLC
23
24
22
19