EasyManua.ls Logo

Gamatech PK300DC - Control Board Wiring; Control Board Terminals and Functions

Default Icon
26 pages
Print Icon
To Next Page IconTo Next Page
To Next Page IconTo Next Page
To Previous Page IconTo Previous Page
To Previous Page IconTo Previous Page
Loading...
14
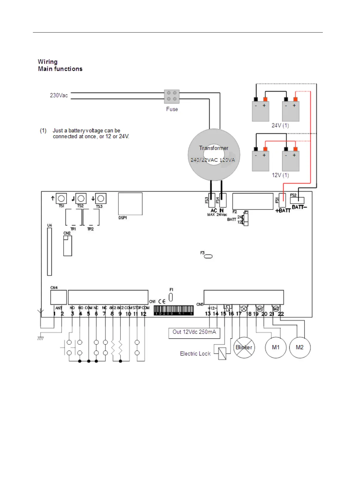
4.3.5 Control board wiring
Figure 17
1.Antenna
2. Antenna's shield
3. Start input (NO)
It completely opens the gate
4. Pedestrian start in. (NO)
It opens just motor 2
5. Common