EasyManua.ls Logo

Gaurdall Rascal Super - 1. Introduction; Operator Controls and Displays; Operator Codes; 2. Normal Setting (Full Set)

Gaurdall Rascal Super
8 pages
Print Icon
To Next Page IconTo Next Page
To Next Page IconTo Next Page
To Previous Page IconTo Previous Page
To Previous Page IconTo Previous Page
Loading...
This manual is from
http://groups.msn.com/UKSecurityPanels
www.thesecurityinstaller.co.uk
6. Wiring the Control Panel
a) Mains Connection
The mains supply to the control panel is connected via a 3 way terminal block located in
the bottom centre of the control panel. Mains should be supplied to the control panel via
a fused spur.
b) Battery Connection
The Rascal Super requires a 1.9AH battery to be fitted to provide power in the event of a
mains failure.
c) Detector Circuits
Connections are provided for up to five detector circuits. These connectors are for closed
circuit detection devices. A common tamper loop is required for all detection devices.
The circuits are located on the bottom LHS of the control board.
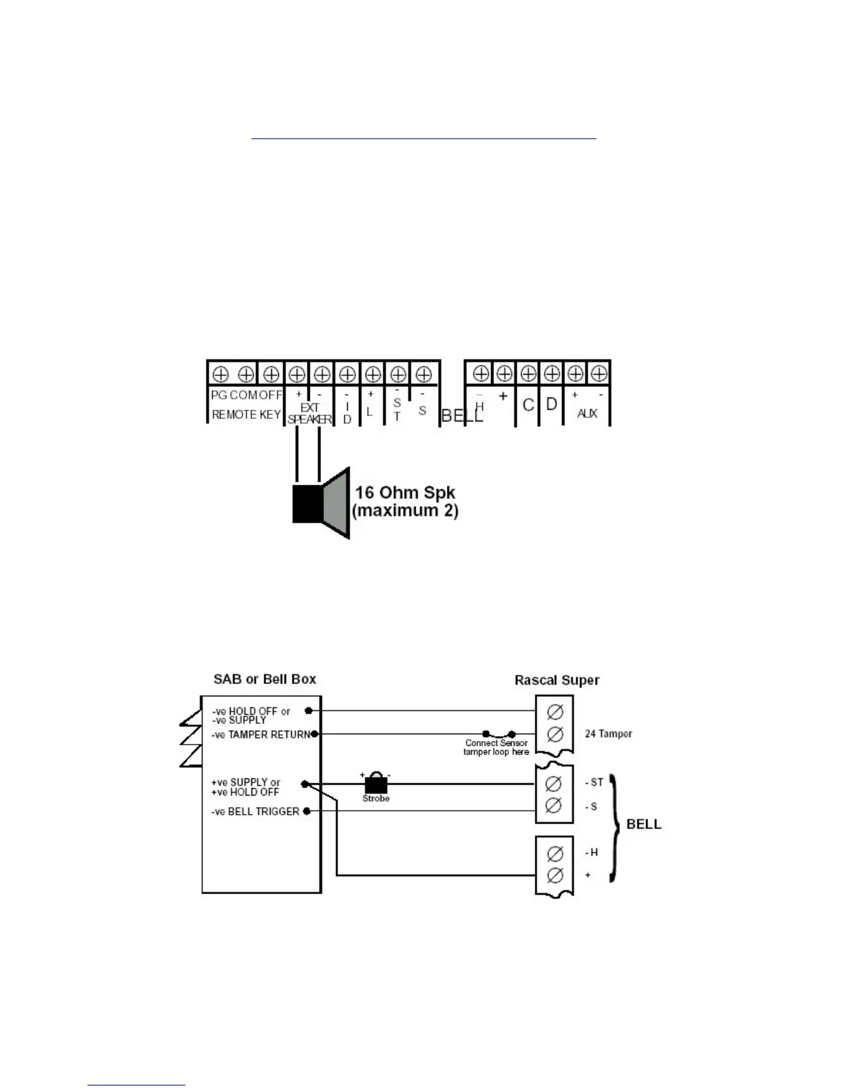
d) Internal Sounders
A connection is provided to allow internal extension speakers to be fitted . Up to two
16
extension speakers may be fitted to the system.
Note : To reduce the volume of the speakers cut the resistor (option 1) shown on the PCB
drawing.
e) External Sounder & Strobe
Connections for the external sounder and strobe are shown below. Note bell trigger
shown is with output programmed for applied negative (negative bell trigger).
(i) ST- Strobe switched negative
(ii) S- Bell switched negative trigger
(iii) H- Siren hold off (open circuit in alarm)
(iv) + Bell hold off supply
f) AUX DC Detector Power
Auxiliary power is provided from the connections at the bottom RHS of the main PCB and
the Bell+. These provide power for detectors and other devices requiring external power.
The auxiliary power output is rated at 500mA and 12V (nominal).

Other manuals for Gaurdall Rascal Super