EasyManua.ls Logo

GE TOV

GE TOV
27 pages
To Next Page IconTo Next Page
To Next Page IconTo Next Page
To Previous Page IconTo Previous Page
To Previous Page IconTo Previous Page
Loading...
GEK-98834B
10
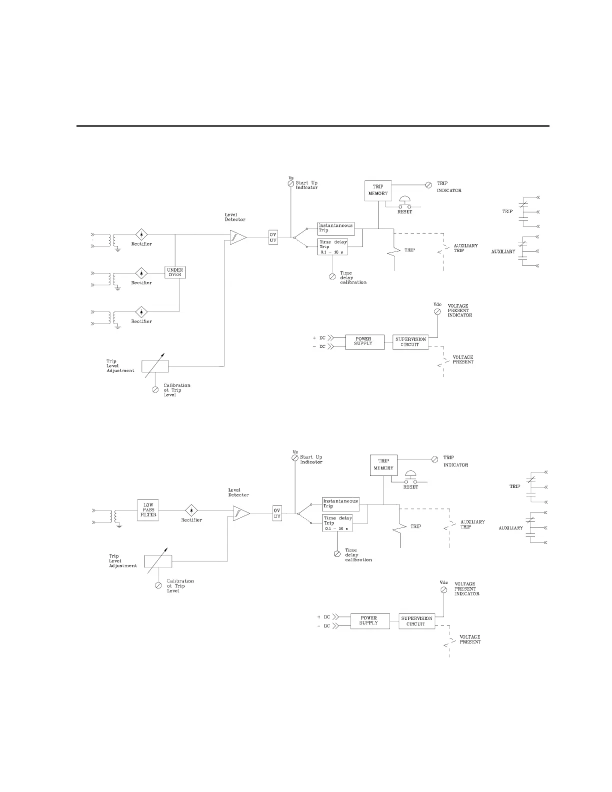
 23(5$7,1*35,1&,3/(6
The different TOV relay models operation principles are shown in figures 1 and 2:
Figure 1. Three Phase version block diagram
Figure 2. Single phase version block diagram
VA
VB
VC
Vo

Related product manuals