EasyManua.ls Logo

GE ZIS360NR

GE ZIS360NR
63 pages
To Next Page IconTo Next Page
To Next Page IconTo Next Page
To Previous Page IconTo Previous Page
To Previous Page IconTo Previous Page
Loading...
– 44 –
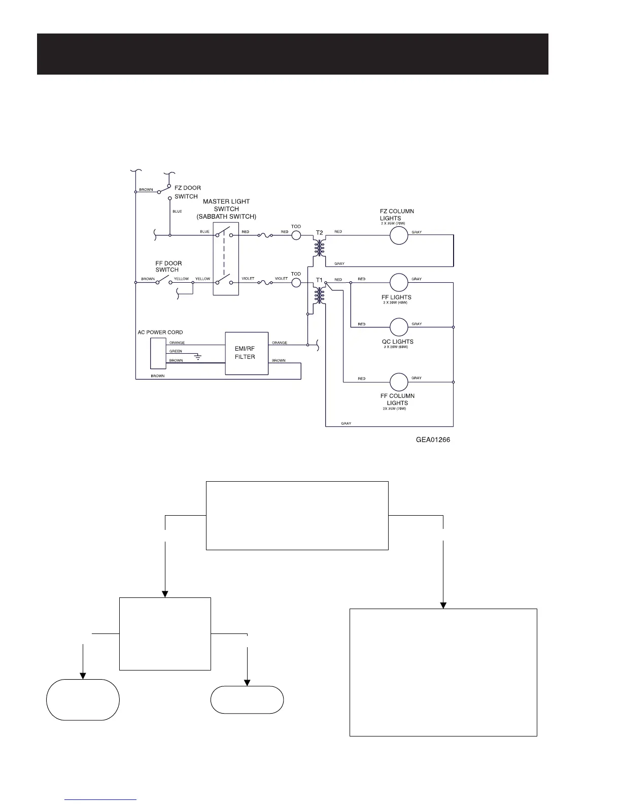
Compartment Lights
The new Monogram side-by-side refrigerator uses 12 VAC halogen lights in both the fresh food and
freezer compartments. The fresh food compartment is equipped with two 35-watt bulbs and
five 20-watt bulbs producing a total of 170 watts. The freezer compartment is equipped with two
35-watt bulbs producing a total of 70 watts. Power is supplied to all interior lighting by 2 transformers.
The transformers convert 120 VAC to 12 VAC.
FF/FZ Compartment Lights Diagnostic
Check for 120 VAC at transformer. Measure
votlage at transformer connector between red
wire (FZ) or violet wire (FF) and orange wire.
Are 120 VAC measured?
YES
Check the following:
1. FF or FZ door switch
2. Sabbath switch
3. Circuit breaker (located by the transformers in
tray under the FF compartment)
4. Thermal overload
FZ - located at bottom of FZ Compartment
FF - located at bottom of FF light tower
5. 120 VAC Wiring
FZ - blue wire(s) and red wire(s)
FF - yellow wire(s) and violet wires
6. Neutral wiring (orange)
NO
Replace
Transformer.
NO
Open circuit
between lights and
transformer.
YES
Measure output voltage
at transformer
connector between red
and gray wires.
Are 12 VAC measured?

Related product manuals