EasyManua.ls Logo

GE ZIS360NR

GE ZIS360NR
63 pages
To Next Page IconTo Next Page
To Next Page IconTo Next Page
To Previous Page IconTo Previous Page
To Previous Page IconTo Previous Page
Loading...
– 56 –
High compressor torque enables the compressor to start against high pressure in the sealed system.
When power has been disconnected from an operating unit, the high torque may enable the
compressor to start immediately upon power restoration. The compressor, if unable to start after 12
times, will wait for 8 minutes before trying again.
Compressor and sealed system operation is extremely smooth and cool. The compressor exterior may
be room temperature while operating; therefore a running unit may be difficult to detect.
To verify that the compressor is running:
Disconnect power from the unit and place a hand on the compressor. Reconnect power and feel for a
vibration when the compressor tries to start. It may take up to 8 seconds before the compressor
attempts to start.
To determine motor rpm:
Measure the frequency of the voltage being applied to the compressor and multiply this number by 30.
For example, a frequency measurement of 70 Hz would show a compressor speed of 2100 rpm (30 x
70 = 2100).
Note: If the compressor fails to start, the inverter will briefly stop voltage output. The inverter will make
12 consecutive attempts to start the compressor (once every 12 seconds). If, after 12 attempts, the
compressor has not started, an 8-minute count will occur. After 8 minutes, the inverter will attempt to
start the compressor again. If the compressor starts, normal operation will resume. If the compressor
fails to start, the process will be repeated. Removing power from the unit will reset the inverter count.
When power is restored, the inverter will attempt to start the compressor within 8 seconds.
Note:
When ordering a replacement compressor, order both the compressor and inverter. Replace the
compressor first. If, after compressor installation, the compressor fails to start, replace the inverter.
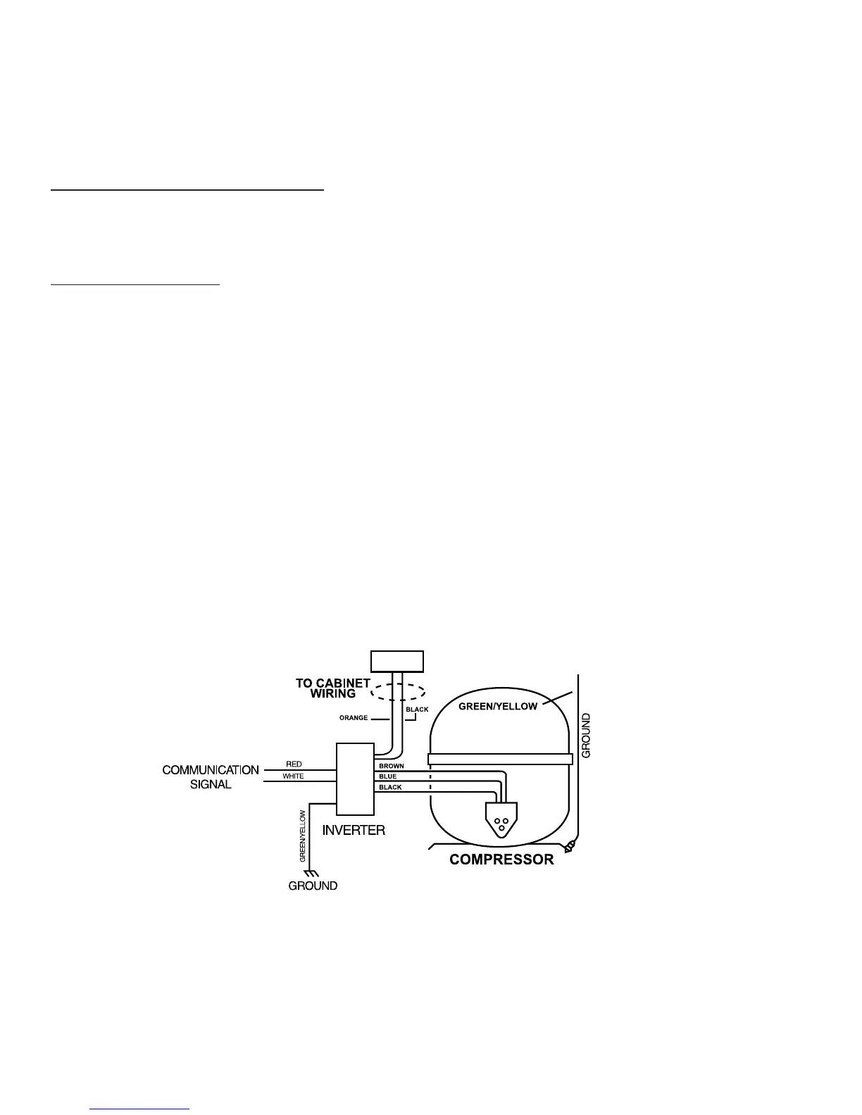
When servicing the compressor, it is important to dress the wiring to keep low voltage DC wiring and
120 VAC wiring separate.

Related product manuals