EasyManua.ls Logo

Generac Power Systems G1000M - EXPLODED VIEW AND PARTS LIST - MAIN UNIT

Generac Power Systems G1000M
40 pages
Print Icon
To Next Page IconTo Next Page
To Next Page IconTo Next Page
To Previous Page IconTo Previous Page
To Previous Page IconTo Previous Page
Loading...
Generac Portable Products G1000M Generator
16
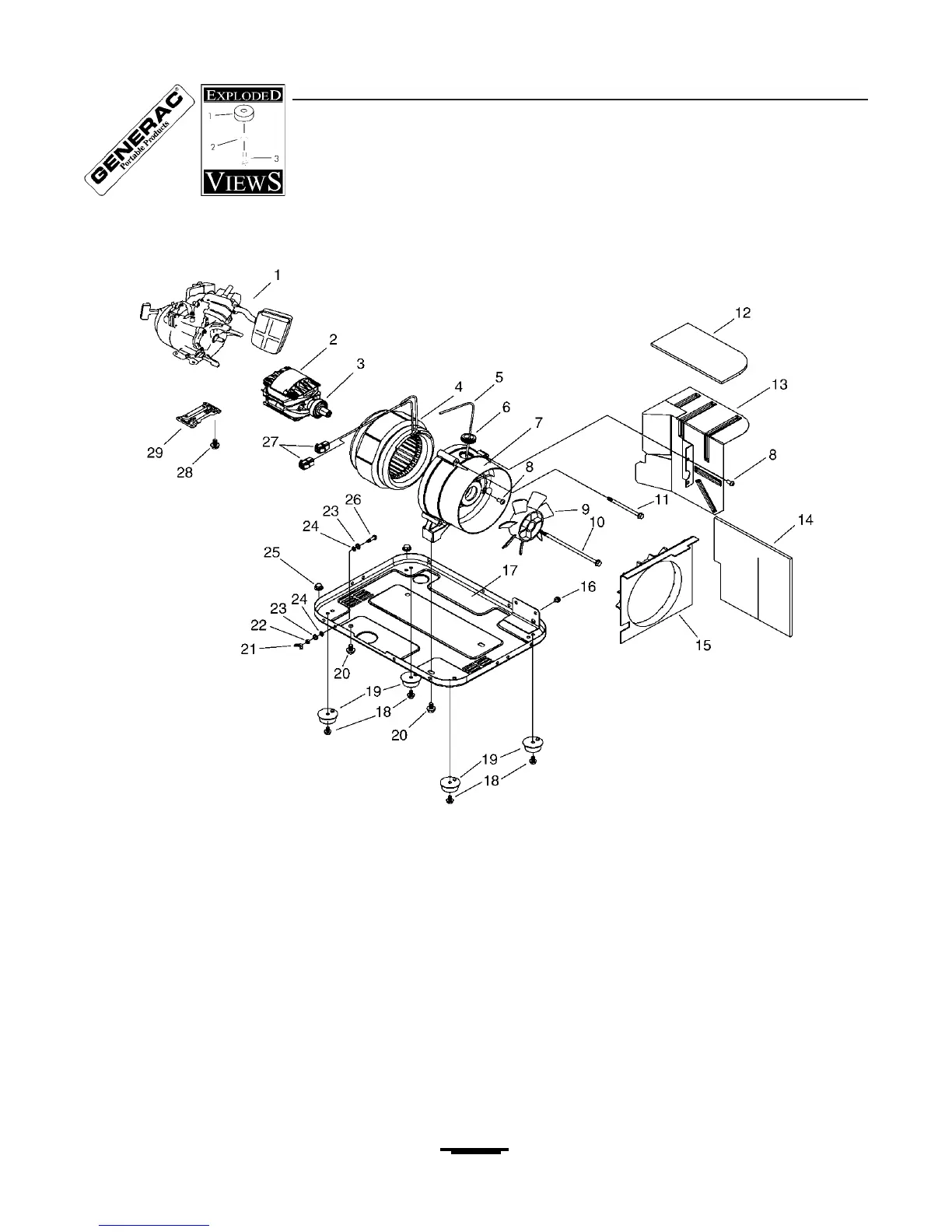
EXPLODED VIEW AND PARTS LIST – MAIN UNIT
Item Part # Qty Description
1 NSP 1 ENG, MITSUB, 2.4HP
2 187378 1 ROTOR
3 187411 1 BRG
4 187379 1 STATOR
5 187430 1 LEAD, GREEN
6 187409 1 BUSHING, LEAD WIRE, G790B
7 187381 1 RBC, 1K
8 187399 3 SCREW, SELF TAP, M6-12
9 187382 1 FAN, COOLING
10 187388 1 BOLT, RTR
11 187389 3 BOLT, STATOR
12 187405 1 INSLTN, HEAT SEALED, #1
13 187384 1 MFFLR, SEALED
14 187407 1 INSLTN, HEAT SEALED, #2
15 187403 1 DUCT, AIR
Item Part # Qty Description
16 187392 2 PHMS, M6-1.0, W/L/FW
17 187383 1 BASE, GEN
18 187390 4 BOLT, FLNG, M6-1.0 X 10
19 187385 4 MNT, VIBR
20 187427 4 HHCS, FLNG, M8-1.25 X 12
21 187424 1 NUT, WING, M5 X 0.8
22 187423 1 NUT, M5 X 0.8
23 187419 2 WSHR, LOCK
24 187420 2 WSHR, FLAT
25 187401 2 NUT, M8-1.25, FLANGE
26 187415 1 PHMS, M5-0.8 X 20
27 187413 2 CNNCTR
28 187434 4 HHCS, FLNG
29 187431 1 STND, ENG

Related product manuals