EasyManua.ls Logo

Generac Power Systems GP5500 - Electrical Schematic, GP3250

Generac Power Systems GP5500
84 pages
Print Icon
To Next Page IconTo Next Page
To Next Page IconTo Next Page
To Previous Page IconTo Previous Page
To Previous Page IconTo Previous Page
Loading...
ELECTRICAL DATA
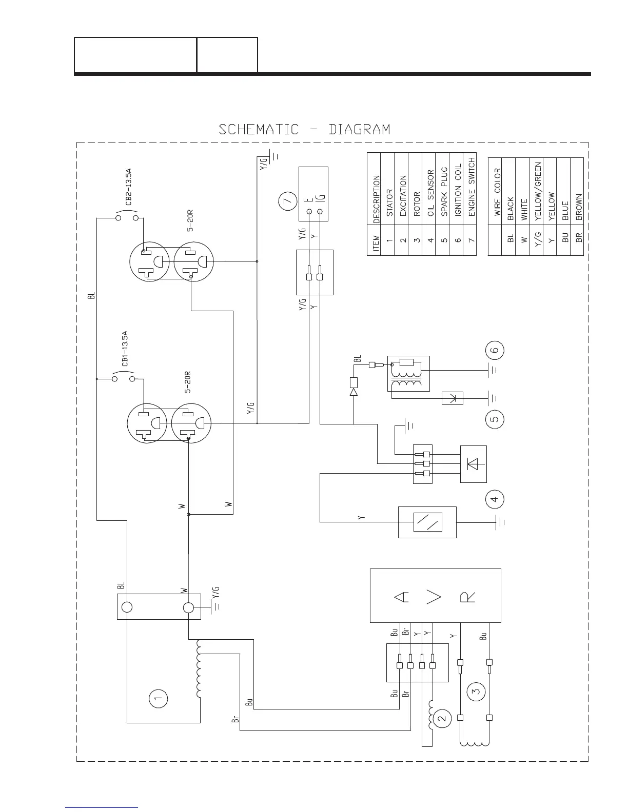
ELECTRICAL SCHEMATIC, GP3250
PART 5
Page 73
Brushed Alternator Drawing No. 0H0523-A
SENSING
DPE

Table of Contents

Other manuals for Generac Power Systems GP5500

Related product manuals