EasyManua.ls Logo

General Pump MSS Series - Filtration; Delivery Time

General Pump MSS Series
21 pages
Print Icon
To Next Page IconTo Next Page
To Next Page IconTo Next Page
To Previous Page IconTo Previous Page
To Previous Page IconTo Previous Page
Loading...
GENERAL PUMP
A member of the Interpump Group
MSS SERIES
Page 9
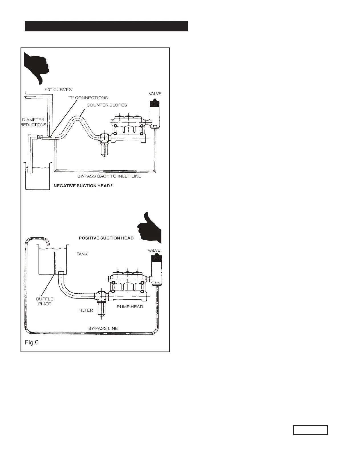
9.5 Filtration
All pumps require a suitable filter. The filter should be
installed as close as possible to the pump, should allow
easy inspection and have the following characteristics:
1. The filter capacity should be at least three times the
rated pump volume.
2. Filter port diameters should not be smaller than the
pump inlet ports.
3. Filtration degree in between 50 and 80 mesh (360
to 200 microns.
IMPORTANT NOTE: In order to properly safeguard the
pump it is very important to plan cleaning of the filter
with a frequency depending on the water quality,
filtration degree and number of hours of each
application.
9.6 Delivery line
For a correct delivery line comply with the following
instructions:
1. The first length of delivery hose should be flexible in
order to isolate the pump vibrations from the
rest of the system.
2. Use only high pressure hoses and fittings able to
guarantee the largest possible safety margins in
any working conditions.
3. A suitable relief valve should be installed in the
delivery line.
4. Use glycerine filled pressure gauges, as the most
suitable for pulsating loads.
5. When designing the delivery line, take into proper
account the unavoidable drop in pressure, due to
its length and size.
6. If necessary, the effects of the pump pulsations can be
reduced by installing a proper pulsation
dampener in the pressure line.

Related product manuals