EasyManua.ls Logo

General ABG24UBBJ - ABG18 UBBJ; AOG18 UNBKL & ABG24 UBBJ; AOG24 UNBKL Circuit Diagram

General ABG24UBBJ
37 pages
Print Icon
To Next Page IconTo Next Page
To Next Page IconTo Next Page
To Previous Page IconTo Previous Page
To Previous Page IconTo Previous Page
Loading...
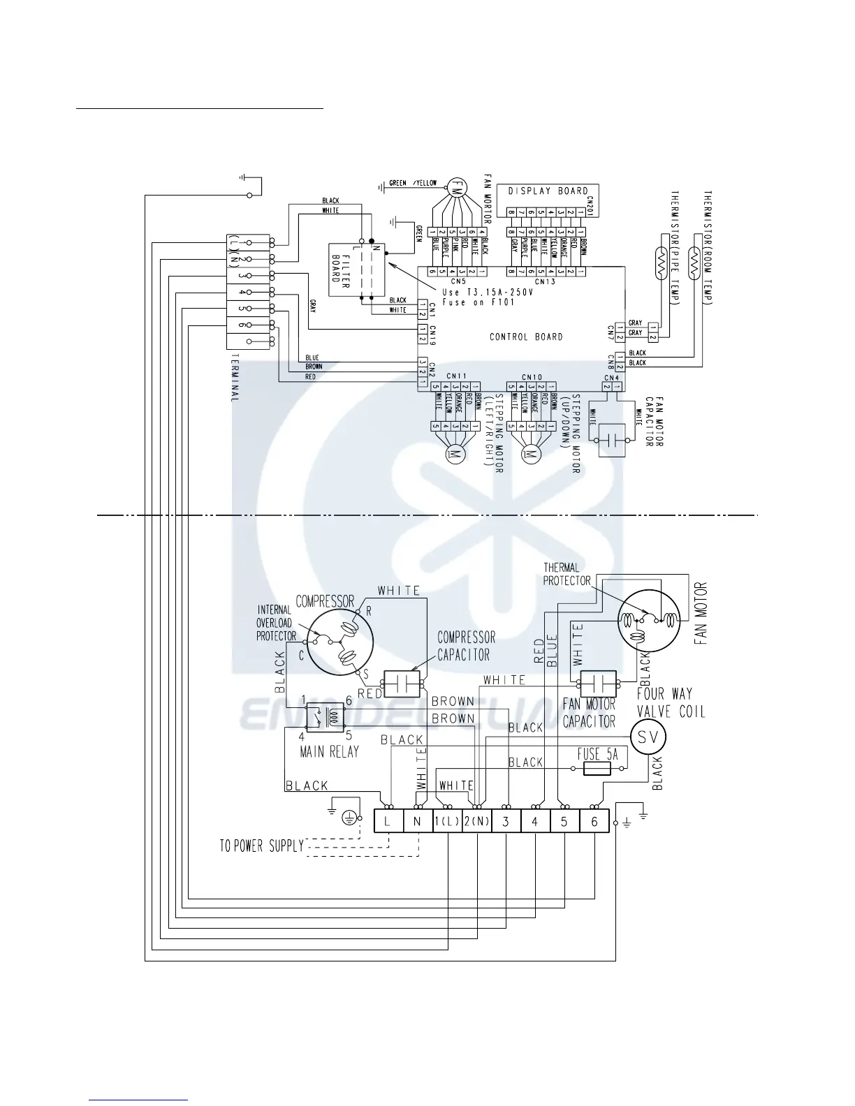
11
OUTDOOR UNIT
INDOOR UNIT
Models : ABG18UBBJ / AOG18UNBKL
ABG24UBBJ / AOG24UNBKL
2003.01.06 PRELIMINARY
www.enindel.com

Related product manuals