EasyManua.ls Logo

General ASG18UBBN - Circuit Diagram

General ASG18UBBN
41 pages
Print Icon
To Next Page IconTo Next Page
To Next Page IconTo Next Page
To Previous Page IconTo Previous Page
To Previous Page IconTo Previous Page
Loading...
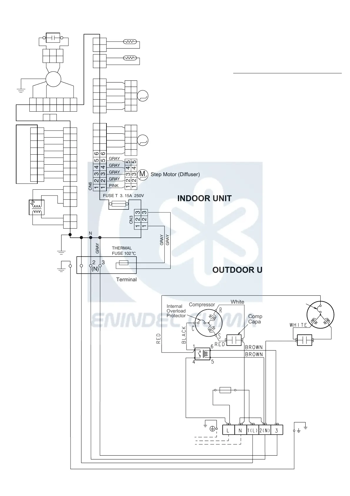
CIRCUIT DIAGRAM
GRAY
GRAY
WHITE
GREEN
GRAY
GRAY
GRAY
FM
BLACK
BLACK
WHITE
WHITE
WHITE
BLACK
BLUE
RED
RED
BLACK
GRAY
GRAY
GRAY
GRAY
YELLOW
PINK
GRAY
GRAY
GRAY
GRAY
GRAY
GRAY
GRAY
PURPLE
PURPLE
PURPLE
GRAY
GRAY
GRAY
GRAY
GRAY
GRAY
GRAY
GRAY
GRAY
RED
PINK
M
M
M
GREEN/
YELLOW
L
N
Fan Motor
Capacitor
Fan
Motor
Terminal
Thermistor (Room temp.)
Thermistor (Pipe temp.)
Step Motor (Diffuser)
Step Motor (Right / Left)
Step Motor (Up / Down)
Transformer
Controller PCB
Display Board
CN4
CN5
CN11CN10CN7CN6
CN3
CN9CN2 CN1
CN201
THERMAL
FUSE 102
2
2
1
1
21
3
3
4
4
5
5
6
6
7
7
2
2
1
1
3
3
2
2
1
1
3
3
2
2
1
1
7
7
6
6
2
2
1
1
3
3
4
4
5
5
7
7
8
8
8
8
6
6
2
2
1
1
3
3
4
4
5
5
2
2
1
1
3
3
2
2
1
1
3
3
4
4
5
5
2
2
1
1
8
8
9
9
10
10
7
7
6
6
2
2
1
1
3
3
4
4
5
5
2
2
1
1
2
2
1
1
3
3
4
4
5
5
2
2
1
1
3
3
4
4
5
5
2
2
1
1
3
3
4
4
5
5
(N)
123
FUSE T 3. 15A 250V
Models
INDOOR UNIT
OUTDOOR UNIT
: ASG18FBAJ / AOG18FNAK
ASG18FBBJ / AOG18FNBK
ASG18FBBN / AOG18FNBN
ASG24FBBJ / AOG24FNBK
ASG24FBBN / AOG24FNBN
2005.03.09 8
to Power Supply
Main Relay
Fuse 5A
Black
Black
White
Black
Black
White
White
White
Fan Motor
Compressor
Fan Motor
Capacitor
Compressor
Capacitor
Thermal
Protector
Internal
Overload
Protector
www.enindel.com

Related product manuals