EasyManua.ls Logo

General AUHA12LAL - Refrigerant System Diagram

General AUHA12LAL
25 pages
Print Icon
To Next Page IconTo Next Page
To Next Page IconTo Next Page
To Previous Page IconTo Previous Page
To Previous Page IconTo Previous Page
Loading...
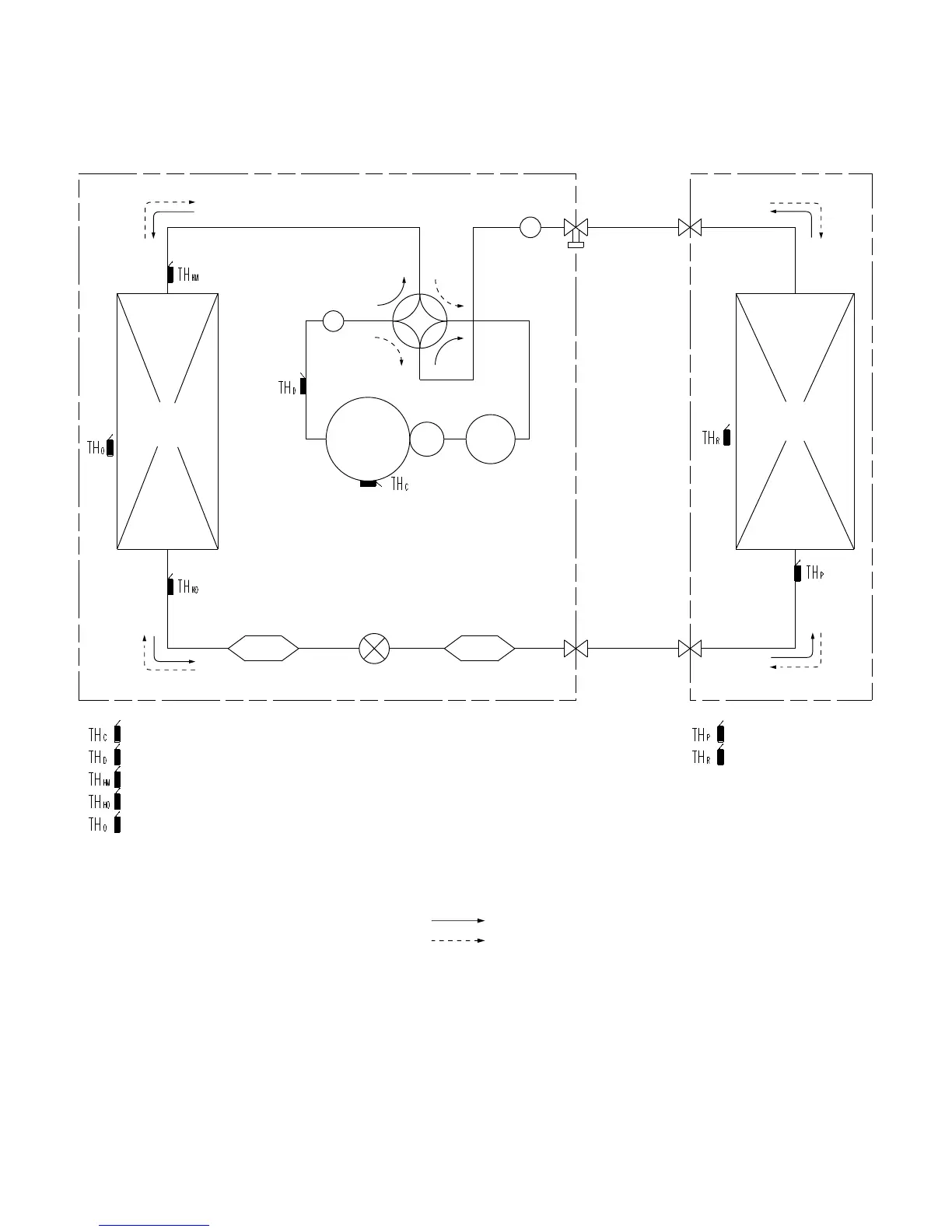
REFRIGERANT SYSTEM DIAGRAM
OUTDOOR UNIT
INDOOR UNIT
2007.07.27 5
StrainerStrainer
4-Way
valve
2-Way
valve
3-Way
valve
Muffler
Muffler
Expansion
valve
Compressor
Accumulator
Heat
exchanger
Heat
exchanger
Cooling
<Refrigerant direction>
Heating
: Compressor thermistor
: Pipe thermistor
: Room thermistor
: Discharge pipe thermistor
: Heat exchanger thermistor (Meddle)
: Heat exchanger thermistor (Out)
: Outdoor thermistor
<Refrigerant pipe diameter>
AUHA12LAL / AOHA12LACL
Liquid : 1/4" (6.35 mm)
Gas : 3/8" (9.52 mm)
AUHA14LAL / AOHA14LACL
AUHA18LAL / AOHA18LACL
Liquid : 1/4" (6.35 mm)
Gas : 1/2" (12.70 mm)
AUHA24LAL / AOHA24LACL
Liquid : 1/4" (6.35 mm)
Gas : 5/8" (15.88 mm)

Related product manuals