EasyManua.ls Logo

Gianneschi JET 4B CE - Page 7

Default Icon
Print Icon
To Next Page IconTo Next Page
To Next Page IconTo Next Page
To Previous Page IconTo Previous Page
To Previous Page IconTo Previous Page
Loading...
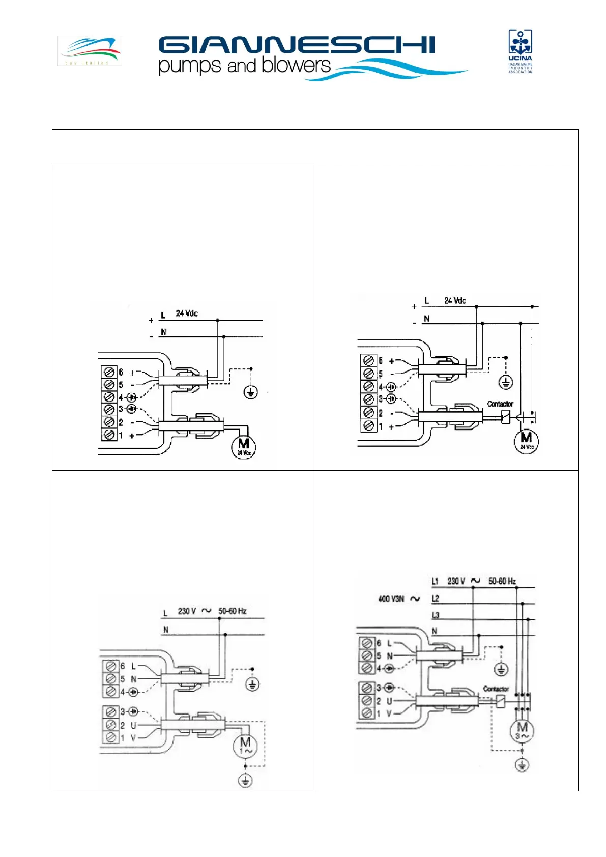
CONNESSIONI ELETTRICHE / ELECTRICAL CONNECTIONS
Collegamento diretto con motore 24V C.C.
con corrente in uscita non superiore a: MAX
22 A
Direct connection of the 24V D.C. motors with
an
output current not exceeding: MAX 22 A
Collegamento con teleruttore per motori 24V
C.C. con corrente in uscita non superiore a:
MAX 22 A
Connection by means of a remote control
switch for 24V D.C. motors with an output
current not exceeding: MAX 22 A
Collegamento diretto del motore 230V
monofase con corrente in uscita non superiore
a: MAX 16 A
Direct connection of the 230V mono-phase
motors with an output current not exceeding
MAX 16 A
Collegamento con teleruttore per motori
400V 3N trifase.
Connection by means of a remote control
switch for 400V 3N three-phase motors.

Related product manuals