EasyManua.ls Logo

Glastender BB24 - Page 12

Glastender BB24
36 pages
Print Icon
To Next Page IconTo Next Page
To Next Page IconTo Next Page
To Previous Page IconTo Previous Page
To Previous Page IconTo Previous Page
Loading...
Glastender, Inc. • 5400 North Michigan Road • Saginaw, MI • 48604-9780
800.748.0423 • 989.752.4275 • Fax 800.838.0888 / 989.752.4444 • www.glastender.com
11
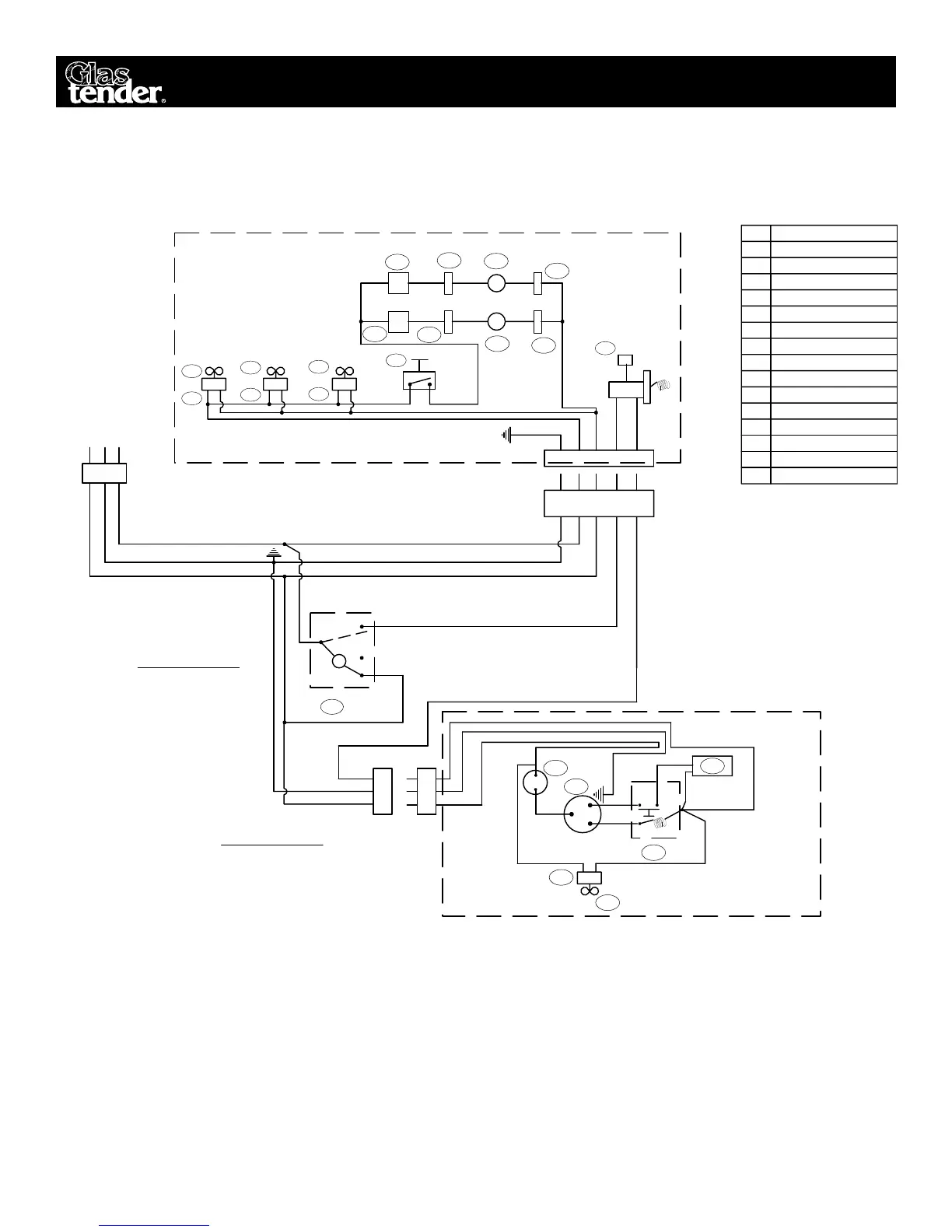
Wiring DiagraM for self-containeD lP60, lP84, lP108, Pt60, Pt84, Pt108,
& non enDWall bb36, bb60, bb84, bb108, nD52, nD72, nD92, Kc48, Kc72, Kc84*
*NOTE: See page 7 for endwall BB, ND, and KC self-contained model wiring diagrams
G
Evaporator Assembly
Note: Some Units May Have Two Fans (Three Fans Shown)
Condenser Fan Motor
Compressor
Evaporator Fan Motor
W = White
G = Green
O = Orange
BL = Blue
B = Black
115V
115V
115V
All wires are 16 Gauge
.80 AMP
7.05 AMP
.28 AMP(Each)
ELECTRICAL RATINGS
G
W
6
15 AMP SERVICE RECOMMENDED
G
W
B
LEGEND
115 VOLT
BL
BL
4
1
M
1
2
2
BL
1
2
1
10
12
11
G
W
9
7
O
B
C
S
M
W
M
CONDENSING UNIT
2
1
B
8
CONDENSER FAN BLADE
CONDENSER FAN MOTOR
CABINET LIGHT RECEPTACLE
EVAPORATOR FAN MOTOR
EVAPORATOR FAN BLADE
O
3
BBL
5
O
O
W
12
DEFROST TIMER
OVERLOAD
CAPACITOR
COMPRESSOR
START RELAY
9
10
11
5
6
8
7
THERMOSTAT
LIGHT SWITCH3
4
2
ITEM
1
DESCRIPTION
S
S
13
13
14
14
15
15
14
14
STARTER
TOMBSTONE
BALLAST13
15
14
B
B
B
B
B
B
W
W
W