EasyManua.ls Logo

Global 390 D - Page 28

Global 390 D
40 pages
Print Icon
To Next Page IconTo Next Page
To Next Page IconTo Next Page
To Previous Page IconTo Previous Page
To Previous Page IconTo Previous Page
Loading...
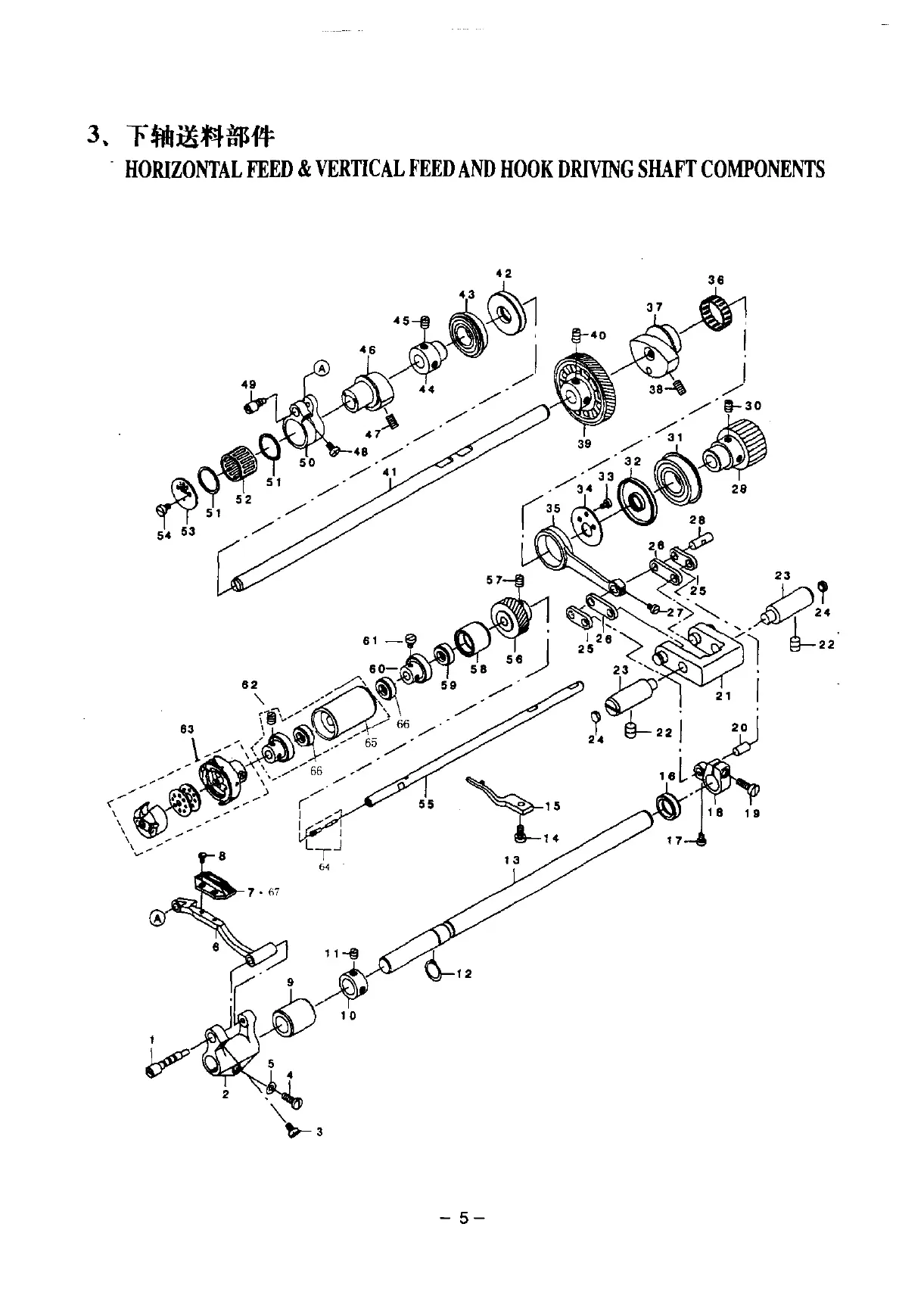
3.
r
*tlt~*lfflHtt:
-
HORIZONTAL
FEED
&
VERTICAL
FEED
AND
HOOK
DRNING
SHAFT
COMPONENTS
("~
\
\
\
___
...................
\
~
\
.............
61
~15
L14
-
5-
From the library of: Superior Sewing Machine & Supply LLC
From the library of Superior Sewing Machine & Supply LLC - www.supsew.com

Related product manuals