EasyManua.ls Logo

Global 390 D - Page 35

Global 390 D
40 pages
Print Icon
To Next Page IconTo Next Page
To Next Page IconTo Next Page
To Previous Page IconTo Previous Page
To Previous Page IconTo Previous Page
Loading...
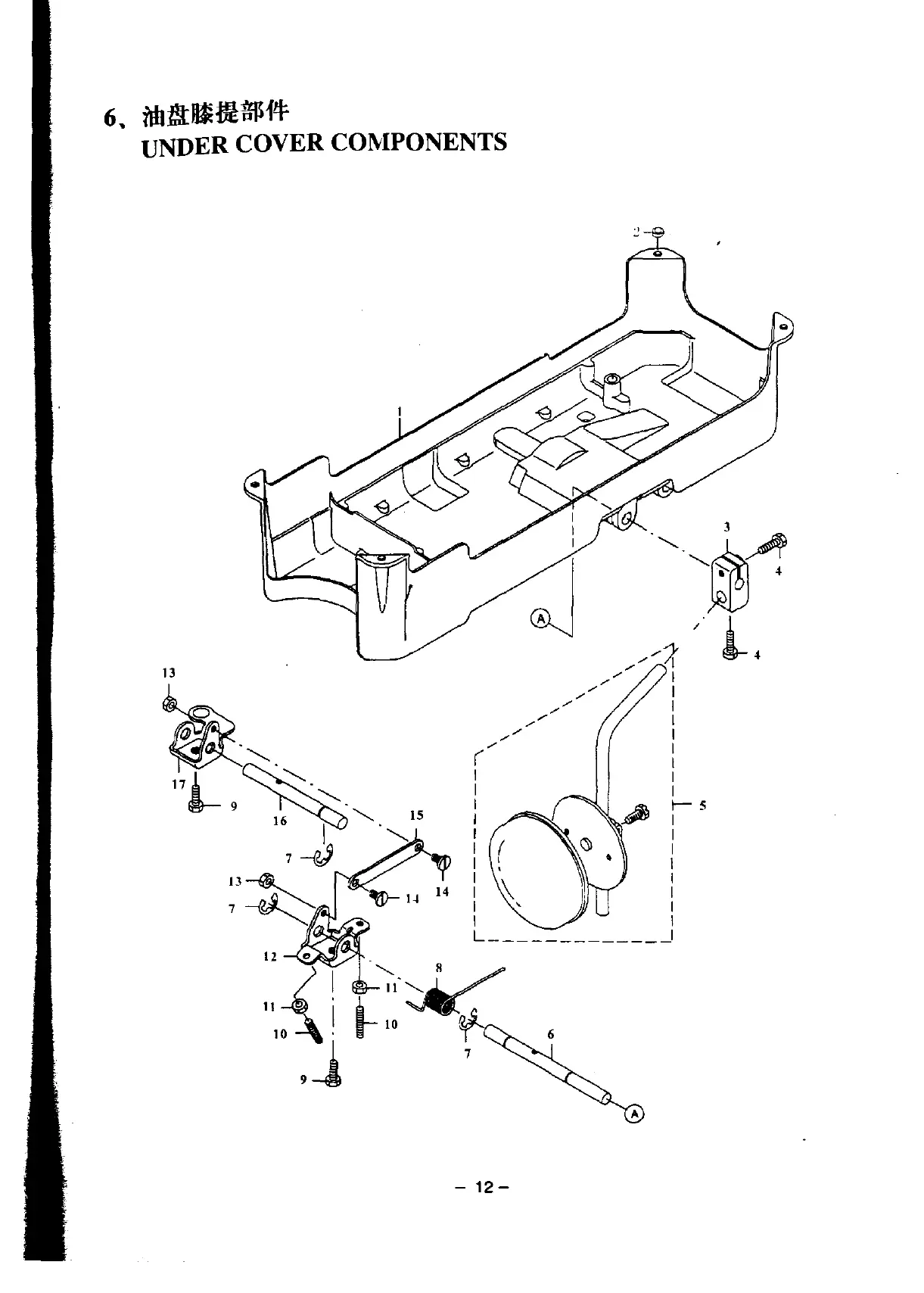
6.
nttagtJHmfif:
UNDER COVER COMPONENTS
13
A
-
12-
From the library of: Superior Sewing Machine & Supply LLC
From the library of Superior Sewing Machine & Supply LLC - www.supsew.com

Related product manuals