EasyManua.ls Logo

Glowworm Ultimate 50FF - Page 30

Glowworm Ultimate 50FF
40 pages
Print Icon
To Next Page IconTo Next Page
To Next Page IconTo Next Page
To Previous Page IconTo Previous Page
To Previous Page IconTo Previous Page
Loading...
30
221520F
9 Fault Finding
FUSE
TYPE F1 & F2
(F1A)
AIR PRESSURE SWITCH CONNECTIONS
SPARK
ELECTRODE
O/H CUTOFF
CONTROL STAT
FAN
AIR
PRESSURE
SWITCH
PILOT
SOLENOID
MAIN
SOLENOID
N
N
N
N
N
N
N
(N/O) (C)
(N/C)
L
K2
K1
2
3
N
N
b
w
w
br
y
y
y
rb
r
bk
b
y
br b
b
bk
b
KEY
bk BLACK
br BROWN
b BLUE
p PURLPLE
or ORANGE
w WHITE
r RED
y YELLOW
SL
MAIN TERMINAL STRIP CONNECTIONS
CONTROL THERMOSTAT CONNECTIONS
PRINTED CIRCUIT BOARD CONNECTIONS
FULLY PUMPED OPEN VENTED
OR SEALED WATER SYSTEM
PN
9
P
L
PUMP
br b
brbr
b
b
*
RED
LINK
*
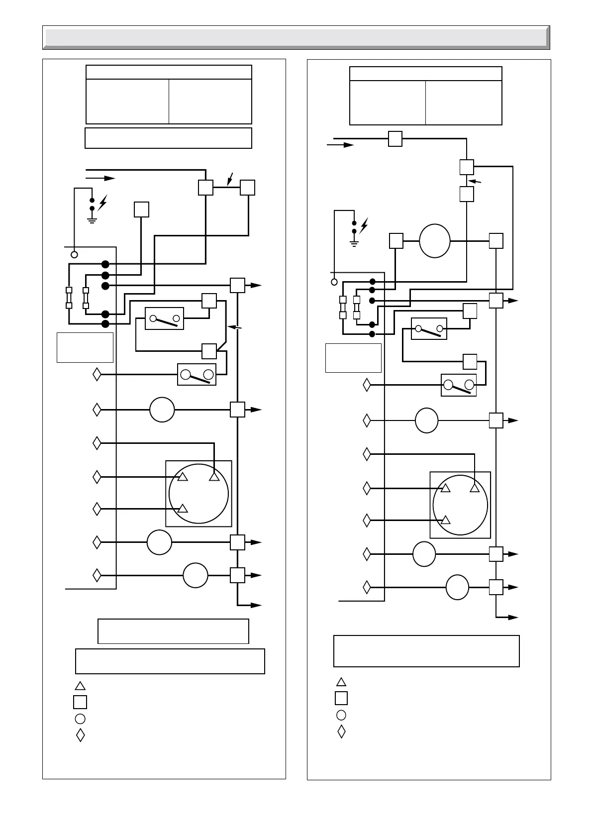
Remove red link between 9 and SL when
fitting a time control etc (if no switch is fitted,
link will make the circulation pump run constantly)
F1
F2
or
or
or
p
Diagram 9.4 Diagram 9.5
FUSE
TYPE F1 &F2
(F1A)
SPARK
ELECTRODE
O/H CUTOFF
CONTROL STAT
FAN
AIR
PRESSURE
SWITCH
PILOT
SOLENOID
MAIN
SOLENOID
N
N
N
N
N
N
N
(N/O) (C)
(N/C)
L
K2
K1
23
N
N
bl
w
w
br
y
y
y
rbl
r
bk
bl
y
br bl
bl
bk
bl
KEY
bk BLACK
br BROWN
bl BLUE
p PURPLE
or ORANGE
w WHITE
r RED
y YELLOW
SL
PUMP WIRED INTO CENTRAL HEATING
SYSTEM REMOTE CONTROLS
GRAVITY DOMESTIC HOT WATER AND
FULLY PUMPED CENTRAL HEATING
*
YELLOW
LINK
AIR PRESSURE SWITCH CONNECTIONS
MAIN TERMINAL STRIP CONNECTIONS
CONTROL THERMOSTAT CONNECTIONS
PRINTED CIRCUIT BOARD CONNECTIONS
9
P
F1
F2
or
or
p
**
RED LINK
*
Yellow Link fitted to bridge out
the overheat cutoff
**
Red Link must be fitted between
SL and 9.
bl
5742
5741

Related product manuals