EasyManua.ls Logo

Glowworm Ultimate 50FF - Page 31

Glowworm Ultimate 50FF
40 pages
Print Icon
To Next Page IconTo Next Page
To Next Page IconTo Next Page
To Previous Page IconTo Previous Page
To Previous Page IconTo Previous Page
Loading...
31
221520F
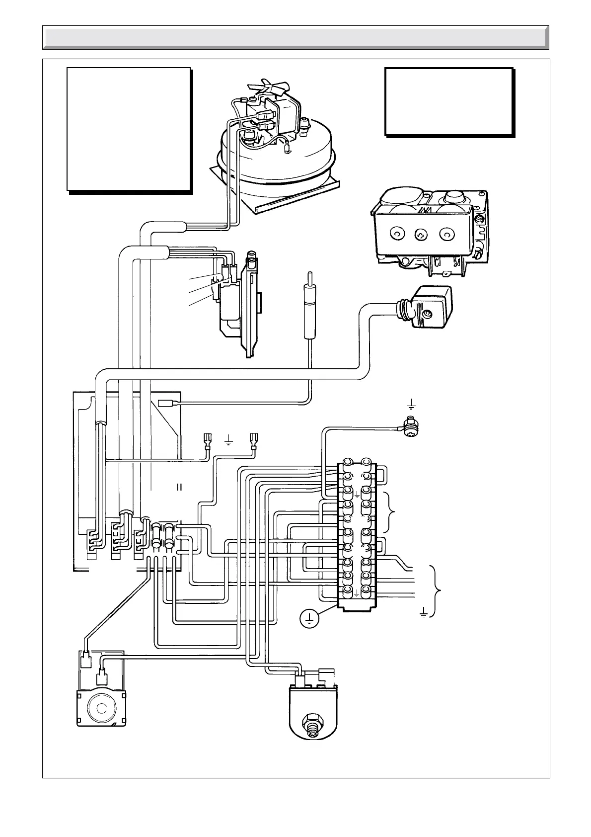
9 Fault Finding
Diagram 9.6
KEY:
b - BLUE
bk - BLACK
br - BROWN
g/y - GREEN/YELLOW
or - ORANGE
p - PURPLE
r - RED
y - YELLOW
w - WHITE
FAN
r
r
y
C
NO
NC
CHASSIS EARTH
SL
N
L
9
L
230~50Hz
MAINS
SUPPLY
FUSED
AT 3-AMP
Pump must be wired into central
heating system remote controls
and not to control box
Yellow link fitted to bridge out the
overheat cutoff
b
g/y
E
N
g/y
K1
K2
ELECTRODE
PN
5859
GRAVITY DOMESTIC
HOT WATER AND
PUMPED CENTRAL
HEATING
b
bk
AIR
PRESSURE
SWITCH
g/y
g/y
CHASSIS
EARTH
g/y
w
p
or
y
br
b
y
w
y
OVERHEAT
CUTOFF
MULTI-FUNCTIONAL
CONTROL
br
2
Ensure RED LINK connected
between 9 and SL.
r
3-PLUGS
FUSES
F1 & F2
(F1A)
SEQUENCE
BOARD
P
3
w
p
y
CONTROL
THERMOSTAT
b

Related product manuals