EasyManua.ls Logo

GLP X5 - Page 20

GLP X5
22 pages
Print Icon
To Next Page IconTo Next Page
To Next Page IconTo Next Page
To Previous Page IconTo Previous Page
To Previous Page IconTo Previous Page
Loading...
technische Serviceanleitung // technical service manual
GLP German Light Products
20
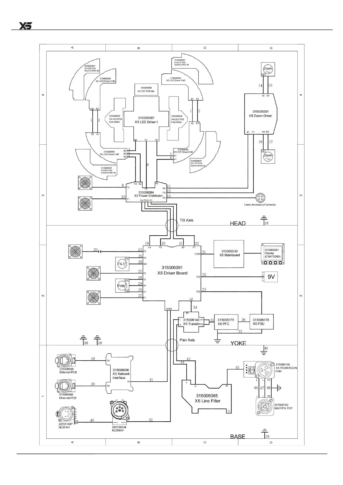
6. Wiring Diagram

Related product manuals