EasyManua.ls Logo

Goodman ARUF - AWUF Wiring Diagram (18, 24, 30, 36)

Goodman ARUF
42 pages
Print Icon
To Next Page IconTo Next Page
To Next Page IconTo Next Page
To Previous Page IconTo Previous Page
To Previous Page IconTo Previous Page
Loading...
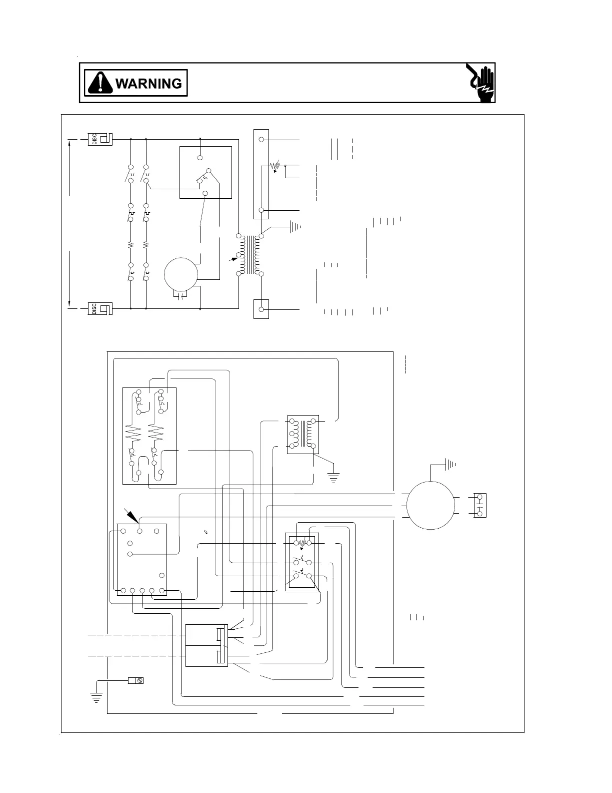
WIRING DIAGRAMS
40
HIGH VOLTAGE!
DISCONNECT ALL POWER BEFORE SERVICING OR INSTALLING THIS
UNIT. MULTIPLE POWER SOURCES MAY BE PRESENT. FAILURE TO
DO SO MAY CAUSE PROPERTY DAMAGE, PERSONAL INJURY OR DEATH.
Wiring is subject to change. Always refer to the wiring diagram on the unit for the most up-to-date wiring.
AWUF [18, 24, 30, 36]**
NOTES:
IF REPLACEMENT OF THE ORIGINAL WIRES SUPPLIED WITH THIS ASSEMBLY IS NECESSARY, USE 105°C. WIRE. SIZE TO CONFORM TO THE NATIONA L ELECTRIC CODE.
1) RED WIRE TO BE ON TRANSFORMER TERMINAL 3 FOR 230 VOLTS AND ON
2) TO PLACE AIRHANDLER IN HIGH SPEED, REMOVE RED MOTOR LEAD FROM ELECTRONIC
3) SEE COMPOSITE WIRING DIAGRAMS IN INSTALLATION INSTRUCTIONS FOR PROPER
4) ASTERISK (*) INDICATES THAT HEATING ELEMENT , THERMAL LIMIT,
4
RD
RD
CONTROLS SHOWN WITH UTILITIES IN "ON" POSITION AND THERMOSTAT IN "OFF" POSITION.
POWER SUPPLY
(SEE RATING PLATE)
USE MIN. 75°C FIELD WIRE
WH
BR
RD
BL
GR
PU
EM
FC
PU COMMON
BK HIGH
RD LOW
BR
EVAPORATOR MOTOR LEADS
RD
BK
BR
RD
*
WH
BR
RD
RD
PU
NOTE
SEE
3
RD
RD
RD
DISC
EQUIPMENT GROUND
RD
R1
M1
M2
BR
BK BK
BK
BL
M3
M4
RD
*
DISC
BL
3
5
RD
12
TR
BK
HTR2*
HTR1
*
BK
BK
TL1
TL1
RD
*
RD
TL2*
TL2
COLOR CODE WIRING CODE
BT14933447 REV B
BLOWER TIME DELAY RELAY (EBTDR) COM TERMINAL AND REPLACE WITH BLACK
RELAY (SEQUENCER) AND INTERCONNECTING WIRES AND JUMPERS OF HEATER #2
ARE DELETED WITH SINGLE ELEMENT UNITS.
MOTOR LEAD. ALL UNITS WILL BE FACTORY CONNECTED AT LOW SPEED.
TERMINAL 2 FOR 208 VOLTS.
LOW VOLTAGE WIRING CONNECTIONS.
YELLOW
TIME DELAY RELAY
EVAPORATOR MOTOR
ELECTRONIC BLOWER
DISCONNECT SWITCH
EBTDR
DISC
EM
RD RED
BL
YL
BLUE
WH
BK
WHITE
BLACK
C
OMPONENT CODE
TL
HTR
TR
R
FC
GREEN
BROWN
PURPLE
BR
GR
PU
NOTE 3
RELAY
FAN CAPACITOR
THERMAL LIMIT
TRANSFORMER
HEATER ELEMENT
FACTORY WIRING
HIGH VOLTAGE
LOW VOLTAGE
FIELD WIRING
HIGH VOLTAGE
LOW VOLTAGE
TR
RD
24 VOLT45
2
SEE NOTE 1
1
3
LO
FC
*
EM
HI
TL1
TL1
HTR 1
HTR 2
COM
BL BR
WH
R1
GR
NONC
*
M4
M2
TL2
TL2
M1
M3
R1
*
*
208/230 VOLTS
* *
R
XFMR-C
C
XFMR-R
NO
COM
NC
G
SU
EBTDR
EBTDR
SEE
NOTE 5
OFF DELAY WHEN "G" IS DE-ENERGIZED.
5) EBTDR HAS A 7 SECOND ON DELAY WHEN "G" IS ENERGIZED AND A 65 SECOND
R
EBTDR
G
C
EBTDR
M2
M1M2

Other manuals for Goodman ARUF

Related product manuals