EasyManua.ls Logo

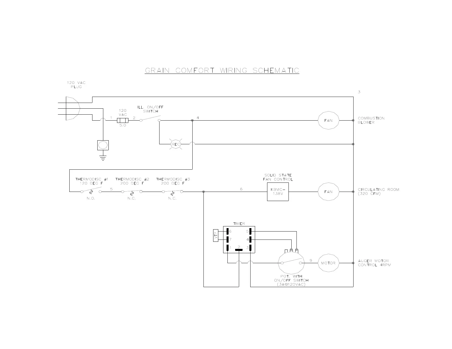
Grain Comfort Plus - Wiring Schematic

Grain Comfort Plus
30 pages
Print Icon
To Next Page IconTo Next Page
To Next Page IconTo Next Page
To Previous Page IconTo Previous Page
To Previous Page IconTo Previous Page
Loading...
29