EasyManua.ls Logo

Gree Cozy GWC09MA-K1NNA3A - Page 30

Gree Cozy GWC09MA-K1NNA3A
114 pages
To Next Page IconTo Next Page
To Next Page IconTo Next Page
To Previous Page IconTo Previous Page
To Previous Page IconTo Previous Page
Loading...
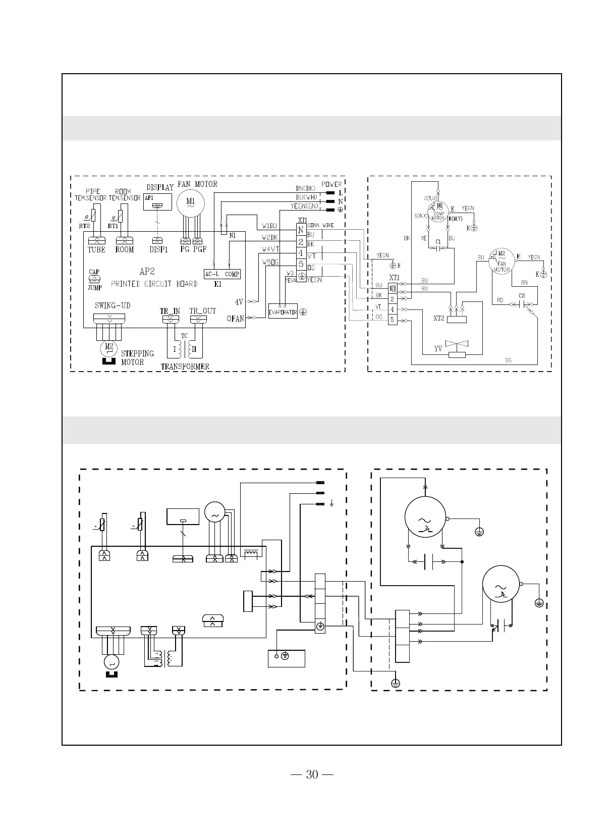
GWH09MA-K1NNA1A GWH12MB-K1NNA1A
INDOOR UNIT
OUTDOOR UNIT
COMP
M
C(T,U)
R(M,V)
S(W,X)
COMP.
C1
C2
N(1)
2
3
PE
PE
YEGN
6YEGN
PE
PE
PE
YEGN
1BU
2BU
3BU
J
4YE
5BK
BK
(BU)
RD
BN
BU
BK
FAN MOTOR
XT1
7BK
DISP1
AP1
DISPLAY BOARD
RECEIVER AND
DISPLAY
TRANSFORMER
STEPPING MOTOR
L101
N1
YEGN
N
BU
BK
L
BU
BN
POWER
M1
FAN MOTOR
PG
PGF
TUBE TEMP.
ROOM TEMP.
SENSOR
SENSOR
TUBE
0
RT1
0
RT2
ROOM
TR-IN
TC
III
I
I
I
AP1 PRINTED CIRCUIT BOARD
TR-OUT
JUMP
CAP
SWING
M2
N(1)
2
XT
PE
EVAPORATOR
YEGN
3
3
4
K1
BU
BK
YEGN
GWC18MC-K1NNA1A GWC18MC-K1NNA6A GWC18MC-K1NNA9A
INDOOR UNIT
OUTDOOR UNIT

Related product manuals