EasyManua.ls Logo

Gree Cozy GWC09MA-K1NNA4A - Page 31

Gree Cozy GWC09MA-K1NNA4A
114 pages
To Next Page IconTo Next Page
To Next Page IconTo Next Page
To Previous Page IconTo Previous Page
To Previous Page IconTo Previous Page
Loading...
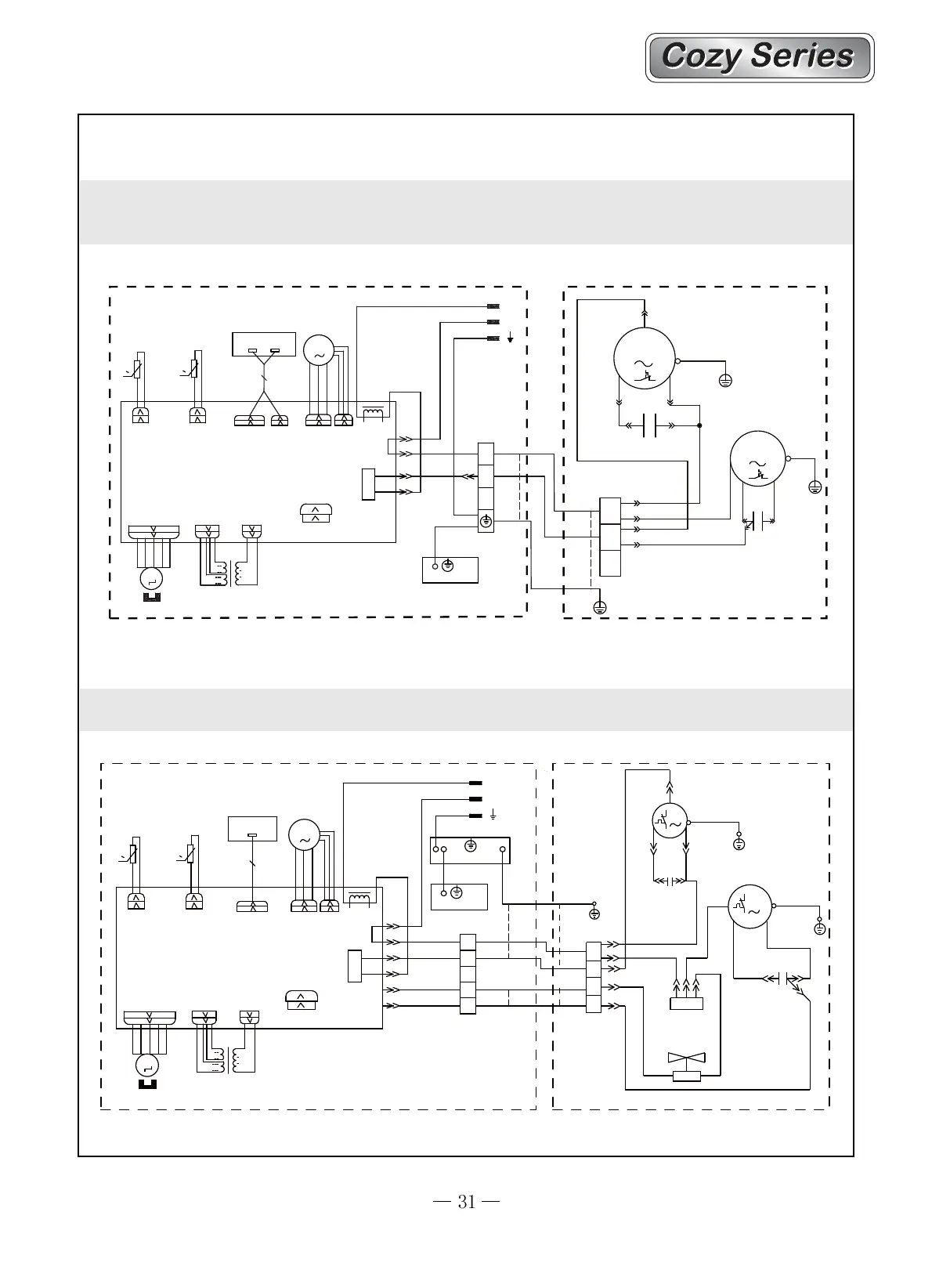
DISP1
AP1
DISP2
DISPLAY BOARD
RECEIVER AND
DISPLAY
TRANSFORMER
STEPPING MOTOR
L101
N1
YEGN
N
BU
BK
L
BU
BN
POWER
M1
FAN MOTOR
PG
PGF
TUBE TEMP.
ROOM TEMP.
SENSOR
SENSOR
TUBE
0
RT1
0
RT2
ROOM
TR-IN
TC
III
I
I
I
AP1 PRINTED CIRCUIT BOARD
TR-OUT
JUMP
CAP
SWING
M2
N(1)
2
XT
PE
EVAPORATOR
YEGN
3
3
4
K1
BU
BK
YEGN
COMP
M
C(T,U)
R(M,V)
S(W,X)
COMP.
C1
C2
N(1)
2
3
PE
PE
YEGN
6YEGN
PE
PE
PE
YEGN
1BU
2BU
3BU
J
4YE
5BK
BK
(BU)
RD
BN
BU
BK
FAN MOTOR
XT1
7BK
GWC18MC-K1NNA2A GWC18MC-K1NNA3A GWC18MC-K1NNA4A GWC18MC-K1NNA5A
GWC18MC-K1NNA7A GWC18MC-K1NNA8A
INDOOR UNIT
OUTDOOR UNIT
TERMINAL
TERMINAL
W7
W6
W5
W2
W3
W1
W4
FAN MOTOR
COMP.
CAPACITOR
CAPACITOR
S(W,X)
C(T,U)
5
OG
VT
4
2
1
C1
E
R(M,V)
E
M1
YEGN
YE
BU
2
E
YEGN
BN
XT2
1
M2
BK
BU
BU
RD
E
YV
OG
C2
BK
N(1)
E
2
BU
BK
YEGN
XT1
BOARD
BOARD
DISP1
AP1
DISPLAY BOARD
RECEIVER AND
DISPLAY
TRANSFORMER
STEPPING MOTOR
L101
N1
YEGN
N
BU
BK
L
BU
BN
POWER
M1
FAN MOTOR
PG
PGF
TUBE TEMP.
ROOM TEMP.
SENSOR
SENSOR
TUBE
0
RT1
0
RT2
ROOM
TR-IN
TC
III
I
I
I
AP1 PRINTED CIRCUIT BOARD
TR-OUT
JUMP
CAP
SWING
M2
N(1)
2
XT
4
5
4V
OFAN
EARTH-PLATE
PE
PE
EVAPORATOR
YEGN
YEGN
VT
OG
3
3
4
K1
BU
BK
VT
OG
GWH18MC-K1NNA1A GWH18MC-K1NNA6A GWH18MC-K1NNA9A
INDOOR UNIT
OUTDOOR UNIT

Related product manuals