EasyManua.ls Logo

Gree FP-8XD-E - Wiring Diagram

Gree FP-8XD-E
88 pages
Print Icon
To Next Page IconTo Next Page
To Next Page IconTo Next Page
To Previous Page IconTo Previous Page
To Previous Page IconTo Previous Page
Loading...
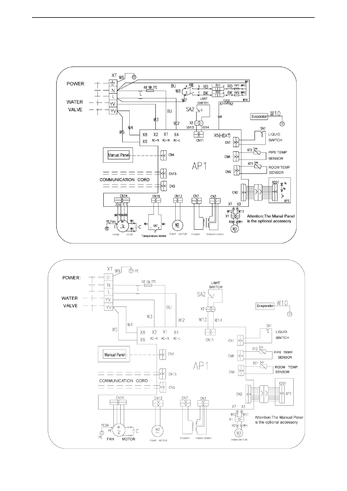
Unit MAINTENANCE
51
3. WIRING DIAGRAM
FP-8XD-E; FP-10XDE; FP-12.5XD-E; FP-14XD-E;FP-14XD-E;FP-18XD-E.
FP-8XD/A-E; FP-10XD/AE; FP-12.5XD/A-E; FP-14XD/A-E;FP-16XD/A-E; FP-18XD/A-E.

Related product manuals