EasyManua.ls Logo

Gree GKH(12)BA-D3DNA2A/I

Gree GKH(12)BA-D3DNA2A/I
196 pages
To Next Page IconTo Next Page
To Next Page IconTo Next Page
To Previous Page IconTo Previous Page
To Previous Page IconTo Previous Page
Loading...
Super Free Match
Service Manual
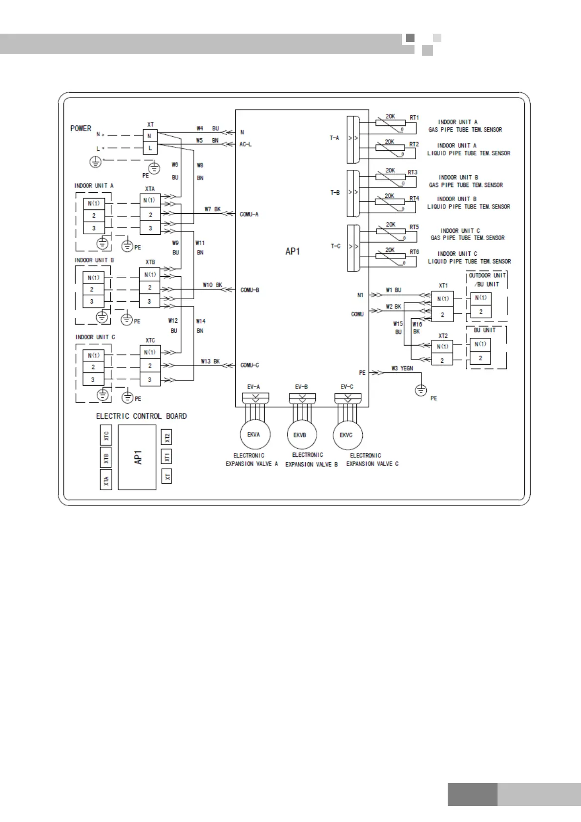
MAINTENANCE
N
135
FXA3A-D; FXA3B-D

Table of Contents

Related product manuals