EasyManua.ls Logo

Gree GMV-ND280PH/A-T - Piping Design

Gree GMV-ND280PH/A-T
80 pages
Print Icon
To Next Page IconTo Next Page
To Next Page IconTo Next Page
To Previous Page IconTo Previous Page
To Previous Page IconTo Previous Page
Loading...
GMV5 Compact Series VRF Outdoor Unit
9
4.2 Piping Design
4.2.1 The Branch of the Connection Pipe
The connection pipe between indoor unit and outdoor unit uses “Y” type branch, as shown in Fig.5.
线控器
室内
Y型分歧管
室外机
Fig.5 Schematic diagram of piping connection
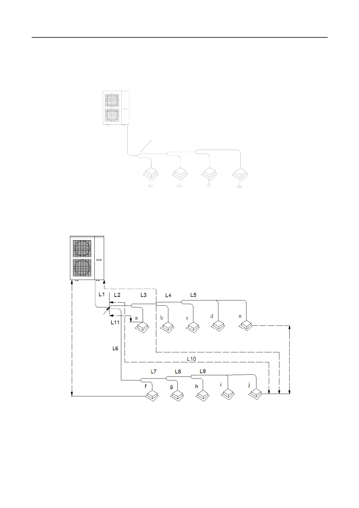
4.2.2 Allowable Pipe Length and Drop Height among Indoor and Outdoor Units
Fig.6 Allowable pipe length and drop height among indoor and outdoor units
The equivalent distance of indoor units manifold is 0.5m.
W
i
re
d
contro
ll
e
r
Height difference between outdoor and indoor unit: H
Y-type manifold
Indoor unit
Height difference among indoor units:
h<=15m
Outdoor unit
ODU
IDU
The first
manifold
of indoor
units
IDU
Length of farthest fitting pipe: L120
m
Copyright 2018. This translation is property of GREE PRODUCTS SL. All rights reserved. Total or partial reproduction without its express authorization is prohibited.

Other manuals for Gree GMV-ND280PH/A-T

Related product manuals