EasyManua.ls Logo

Gree GTH36K3FI - Page 171

Gree GTH36K3FI
186 pages
Print Icon
To Next Page IconTo Next Page
To Next Page IconTo Next Page
To Previous Page IconTo Previous Page
To Previous Page IconTo Previous Page
Loading...
U-Match Series DC Inverter Service Manual
168
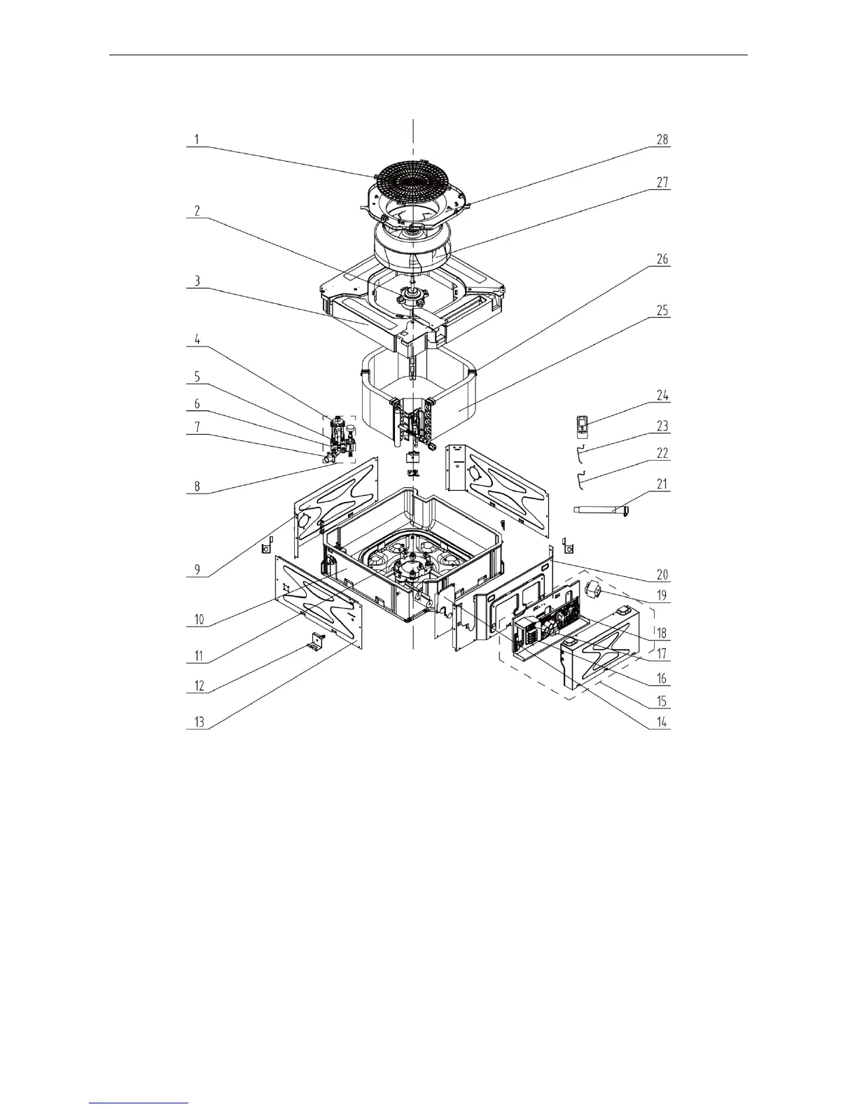
5.2.2 Cassette Type
Model: GKH12K3FI/GKH18K3FI exploded view and spare parts list.

Table of Contents

Related product manuals