Home
Gree
Air Conditioner
GUD140ZD/A-T
Gree GUD140ZD/A-T
195 pages
Manual
To Next Page
To Next Page
To Previous Page
To Previous Page
Loading...
GREE
U-Match
5
SERIES UNIT SERVICE MANUAL
24
Model:
GUD71T/A-T
, GUD85T/A-T
, GUD100T/A-T
, GUD125T/A-T
, GUD140T/A-T
, GUD160T/A-T
Duct T
ype
Model:
GUD35P/A-T
, GUD50P/A-T
, GUD71P/A-T
, GUD85P/A-
T,
GUD35PS/A-T
, GUD50PS/A-T
, GUD71PS/A-T
, GUD85PS/A-T
28
30
Table of Contents
Main Page
Default Chapter
3
Table of Contents
3
Safety Notice on Maintenance
6
Safety Notice on Operation
7
Product Introduction
8
Lists of Units
8
List of Odus
8
List of Idus
9
Electrical Parameters
13
Control
14
Operation Mode
14
Cooling Mode
14
Heating Mode
15
Control Mode
15
Based Control
15
Special Control
16
Protection Control
17
Functions
17
Setting of Filter Cleaning Reminder
17
Low-Temperature Drying Function
18
Child-Lock Function
18
Memory Function
18
Door Control Function
18
Switch between Fahrenheit and Degree Celsius
19
Inquiry of Ambient Temperature
19
Inquiry of Historical Malfunction
19
Debugging Function
19
Connect to Interface of Centralized Control
22
Troubleshooting
24
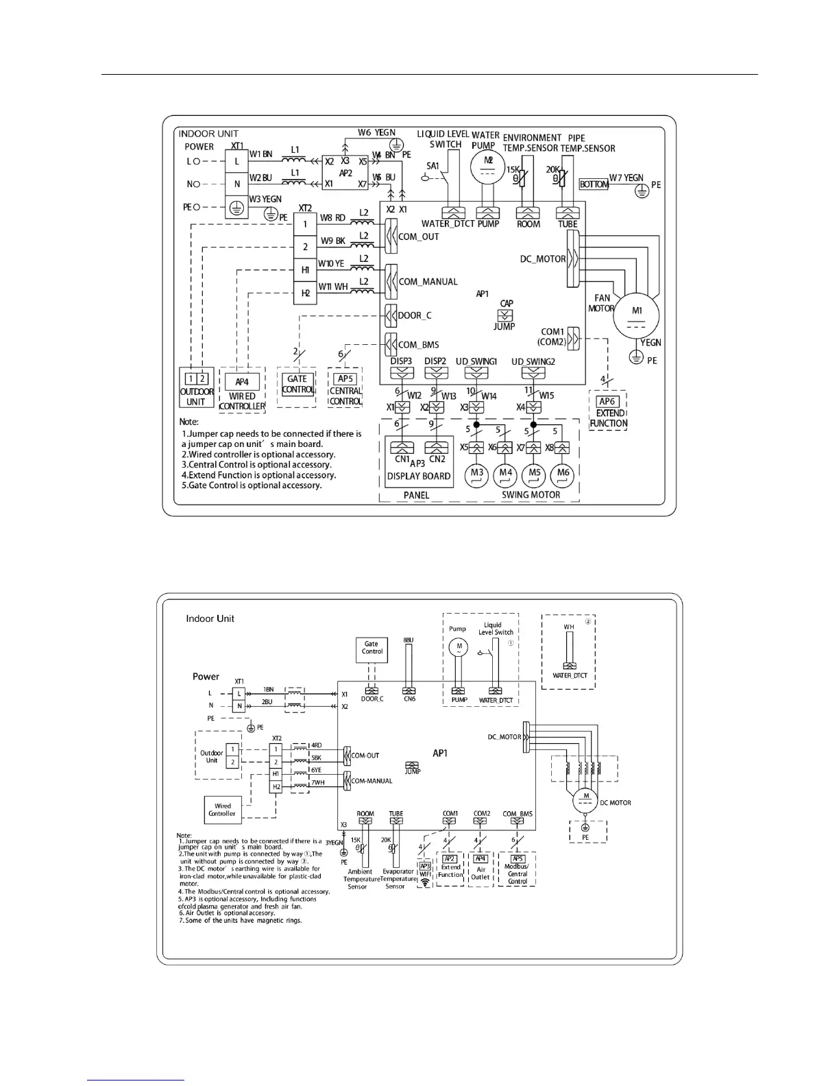
Wiring Diagrams
24
Wiring Diagrams of Odus
24
Wiring Diagrams of Idus
28
PCB Layout
31
Interface
31
IPM,PFC Testing Method
42
Error Code
44
Troubleshooting
46
E1‖ Compressor High Pressure Protection
46
E2‖ Indoor Anti-Freezing Protection
47
E3‖ Compressor Low-Pressure Protection, Refrigerant Shortage Protection, Refrigerant Recovery Mode
48
E4‖ Compressor Air Discharge High-Temperature Protection
49
E6‖ Communication Error
50
E8‖ Indoor Fan Error
51
E9‖ Water Overflow Protection
52
F0‖ Indoor Ambient Temperature Sensor Error
53
F1‖ Evaporator Temperature Sensor Error
54
F2‖ Condenser Temperature Sensor Error
55
F3‖ Outdoor Ambient Temperature Sensor Error
56
F4‖ Discharge Temperature Sensor Error
57
F5‖ Wired Control Temperature Sensor Error
58
C5‖ IDU Jumper Cap Error
59
EE‖ IDU or ODU Memory Chip Error
59
PF‖ Electric Box Sensor Error
60
H3‖ Compressor Overload Protection
61
H4‖ Overload
61
H5‖ IPM Protection
62
H6‖ DC Fan Error
63
H7‖ Driver Out-Of-Step Protection
64
HC‖ PFC Protection
65
Lp‖ IDU and ODU Unmatched
67
U7‖ 4-Way Valve Switch-Over Error
68
P0‖ Driver Reset Protection
68
P5‖ Over-Current Protection
69
P6‖ Master Control and Driver Communication Error
70
P7‖ Driver Module Sensor Error
71
P8‖ Driver Module High Temperature Protection
72
PA‖ AC Current Protection
72
Pc‖ Driver Current Error
73
Pd‖ Sensor Connection Protection
74
PL‖ Bus Low-Voltage Protection
74
PH‖ Bus High-Voltage Protection
75
Ee‖ Drive Memory Chip Error
76
C4‖ ODU Jumper Cap Error
77
EL‖ Emergency Stop (Fire Alarm)
78
Failures Not Caused by Errors
78
Maintenance
80
System Diagram
80
Connection Pipe Vacuum Pumping
80
Refrigerant Charging
81
Maintenance of Major Components
83
Removal of Major Components
83
Removal of ODU Major Components
83
Removal of IDU Major Components
119
Explosive View and Lists of Parts
130
ODU Explosive View and Lists of Parts
130
IDU Explosive View and Lists of Parts
151
Appendices
185
Resistance/Temperature Lists of Temperature Sensors
185
Voltage List of 15 Kω Temperature Sensors (Including ODU and IDU Temperature Sensors)
185
Voltage List of 20 Kω Pipeline Temperature Sensors (Including Temperature Sensors for Defroster, IDU and ODU Pipes)
187
Voltage List of 50 Kω Discharge Temperature Sensors (Including Discharge Air Temperature Sensor)
190
Temperature/Pressure List of Refrigerant
192
Refrigerant Notice/Concentration
193
Operation Tools
194
Other manuals for Gree GUD140ZD/A-T
Owner's Manual
66 pages
Related product manuals
Gree GUD140T/A-T
71 pages
Gree GUD140W/NhA-T
224 pages
Gree GUD140W/NhA-X
224 pages
Gree GUD140W/NhB-S
75 pages
Gree GUD125T/A-T
71 pages
Gree GUD160ZD/A-T
66 pages
Gree GUD125ZD/A-T
66 pages
Gree GUD125W/NhA-X
224 pages
Gree GUD100PHS/A-T
78 pages
Gree GUD160W/NhA-X
224 pages
Gree GUD160W/NhB-X
75 pages
Gree GUD100W/NhA-X
224 pages