EasyManua.ls Logo

Gree GWH24AFE-K6DNA2I/O

Gree GWH24AFE-K6DNA2I/O
182 pages
To Next Page IconTo Next Page
To Next Page IconTo Next Page
To Previous Page IconTo Previous Page
To Previous Page IconTo Previous Page
Loading...
44
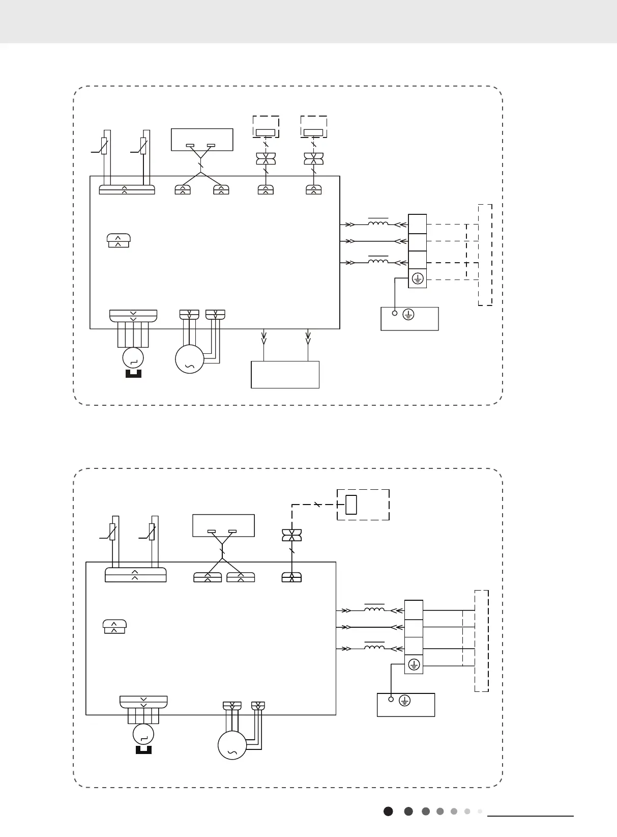
Technical Information
Service Manual
GWH09QA-K6DNB2A/I(CB432N25402) GWH12QB-K6DNB4A/I GWH12QB-K6DNB2A/I GWH09QA-K6DNB4A/I(CB434N20402)
GWH09QA-K6DNB8A/I GWH09QA-K6DNC4A/I GWH12QB-K6DNB8A/I GWH12QB-K6DNC4A/I
:,5('
&21752//(5
&200$18$/
76(1625
7(03
6(1625
7(03
6(1625
57
522078%(
67(33,1*
',63/$<
5(&(,9(5$1'
$3
35,17('&,5&8,7%2$5'
',63/$<%2$5'
&$%/(
&211(&7,1*
6:,1*8'
02725
%/2&.
7(50,1$/
-803
&$3
%8
%.
<(*1
(9$325$725
3(
;7
1
0
287'22581,7
$3
3*
*(1(5$725
&2/'3/$60$
)$102725
0
5' %8
+($/7+/
+($/7+1
3*)
',63',63
%1
<(*1
57
1
&20287
%8
%.
%1
/
/
:,),
02'8/(
:,),
$3
$3
$&//
0$*1(7,&
5,1*
76(1625
7(03
6(1625
7(03
6(1625
57
5220
78%(
67(33,1*
',63/$<
$3
35,17('&,5&8,7%2$5'
5(&(,9(5$1'
',63/$<%2$5'
&$%/(
&211(&7,1*
6:,1*8'
02725
%/2&.
7(50,1$/
-803
&$3
%8
%.
<(*1
(9$325$725
3(
;7
1
0
287'22581,7
$3
3*
)$102725
0
3*)
',63 ',63
%1
<(*1
57
1
&20287
%8
%.
%1
/
/
:,),02'8/(
$3
&200$18$/
:,),
/$&/
600007000688
6363222004

Related product manuals