EasyManua.ls Logo

Gree YAC1FB9 - Page 45

Gree YAC1FB9
182 pages
Print Icon
To Next Page IconTo Next Page
To Next Page IconTo Next Page
To Previous Page IconTo Previous Page
To Previous Page IconTo Previous Page
Loading...
43
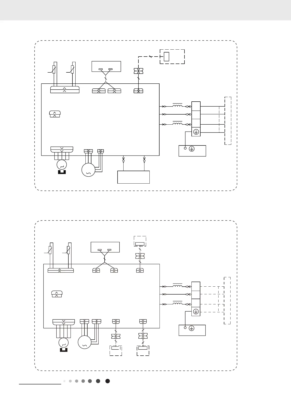
Technical Information
Service Manual
GWH07QA-K6DNC4A/I GWH09QA-K6DNB4A/I(CB434N20401)
GWH09QA-K6DNB2A/I(CB432N25401) GWH12QB-K6DNB2A/I GWH18QD-K6DNB2E/I
76(1625
7(03
6(1625
7(03
6(1625
57
5220
78%(
67(33,1*
',63/$<
5(&(,9(5$1'
$3
35,17('&,5&8,7%2$5'
',63/$<%2$5'
&$%/(
&211(&7,1*
6:,1*8'
02725
%/2&.
7(50,1$/
-803
&$3
%8
%.
<(*1
(9$325$725
3(
;7
1
0
287'22581,7
$3
3*
*(1(5$725
&2/'3/$60$
)$102725
0
5' %8
+($/7+/
+($/7+1
3*)
',63 ',63
%1
<(*1
57
1
&20287
%8
%.
%1
/
/
:,),02'8/(
$3
&200$18$/
:,),
/$&/
76(1625
7(03
6(1625
7(03
6(1625
57
522078%(
67(33,1*
',63/$<
$3
35,17('&,5&8,7%2$5'
5(&(,9(5$1'
',63/$<%2$5'
&$%/(
&211(&7,1*
6:,1*8'
02725
%/2&.
7(50,1$/
-803
&$3
%8
%.
<(*1
(9$325$725
3(
;7
1
0
287'22581,7
$3
3*
)$102725
0
3*)
',63',63
%1
<(*1
57
1
&20287
%8
%.
%1
/
/
:,),
02'8/(
:,),
$3
:,5('
&21752//(5
&200$18$/
$3
'5<&
'225&
237,21$/
'5<&217$&7
$&//
$3
0$*1(7,&
5,1*
6363222005
60000700068806

Related product manuals