EasyManua.ls Logo

Gree YAC1FB9 - Page 46

Gree YAC1FB9
182 pages
Print Icon
To Next Page IconTo Next Page
To Next Page IconTo Next Page
To Previous Page IconTo Previous Page
To Previous Page IconTo Previous Page
Loading...
44
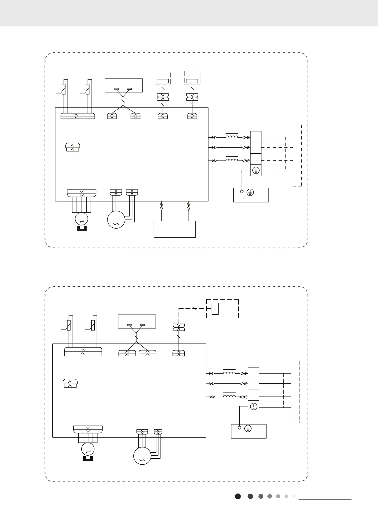
Technical Information
Service Manual
GWH09QA-K6DNB2A/I(CB432N25402) GWH12QB-K6DNB4A/I GWH12QB-K6DNB2A/I GWH09QA-K6DNB4A/I(CB434N20402)
GWH09QA-K6DNB8A/I GWH09QA-K6DNC4A/I GWH12QB-K6DNB8A/I GWH12QB-K6DNC4A/I
:,5('
&21752//(5
&200$18$/
76(1625
7(03
6(1625
7(03
6(1625
57
522078%(
67(33,1*
',63/$<
5(&(,9(5$1'
$3
35,17('&,5&8,7%2$5'
',63/$<%2$5'
&$%/(
&211(&7,1*
6:,1*8'
02725
%/2&.
7(50,1$/
-803
&$3
%8
%.
<(*1
(9$325$725
3(
;7
1
0
287'22581,7
$3
3*
*(1(5$725
&2/'3/$60$
)$102725
0
5' %8
+($/7+/
+($/7+1
3*)
',63',63
%1
<(*1
57
1
&20287
%8
%.
%1
/
/
:,),
02'8/(
:,),
$3
$3
$&//
0$*1(7,&
5,1*
76(1625
7(03
6(1625
7(03
6(1625
57
5220
78%(
67(33,1*
',63/$<
$3
35,17('&,5&8,7%2$5'
5(&(,9(5$1'
',63/$<%2$5'
&$%/(
&211(&7,1*
6:,1*8'
02725
%/2&.
7(50,1$/
-803
&$3
%8
%.
<(*1
(9$325$725
3(
;7
1
0
287'22581,7
$3
3*
)$102725
0
3*)
',63 ',63
%1
<(*1
57
1
&20287
%8
%.
%1
/
/
:,),02'8/(
$3
&200$18$/
:,),
/$&/
600007000688
6363222004

Related product manuals