EasyManua.ls Logo

Greenlee 35346 - Page 32

Greenlee 35346
44 pages
Print Icon
To Next Page IconTo Next Page
To Next Page IconTo Next Page
To Previous Page IconTo Previous Page
To Previous Page IconTo Previous Page
Loading...
6000-Series Super Tugger Cable Pullers
Greenlee Tools, Inc. 32 4455 Boeing Dr. • Rockford, IL 61109-2988 USA • 815-397-7070
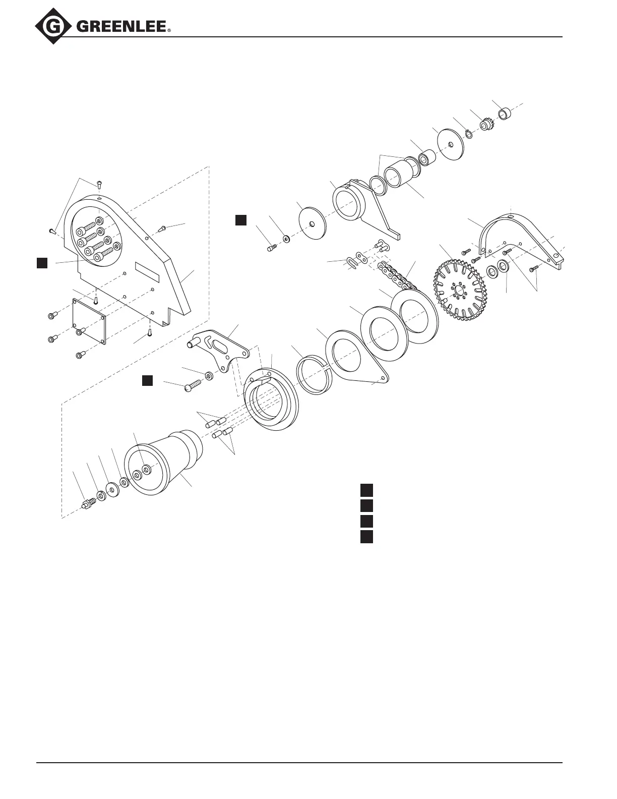
Exploded View
23
16
17
18
19
22
25
24
20
21
5
6
7
8
9
10
12
13
14
15
11
11
3
1
1
4
3
3
24
1
36
35
34
33
32
30
31
29
28
27
26
Torque Specifications
1 4.52 Newton-meters (40 in-lb)
2 10.8 Newton-meters (8 ft-lb)
3 13.6 Newton-meters (10 ft-lb)
4 20.3 Newton-meters (15 ft-lb)