EasyManua.ls Logo

Guardian 4389 - Model 4389-1

Guardian 4389
151 pages
Print Icon
To Next Page IconTo Next Page
To Next Page IconTo Next Page
To Previous Page IconTo Previous Page
To Previous Page IconTo Previous Page
Loading...
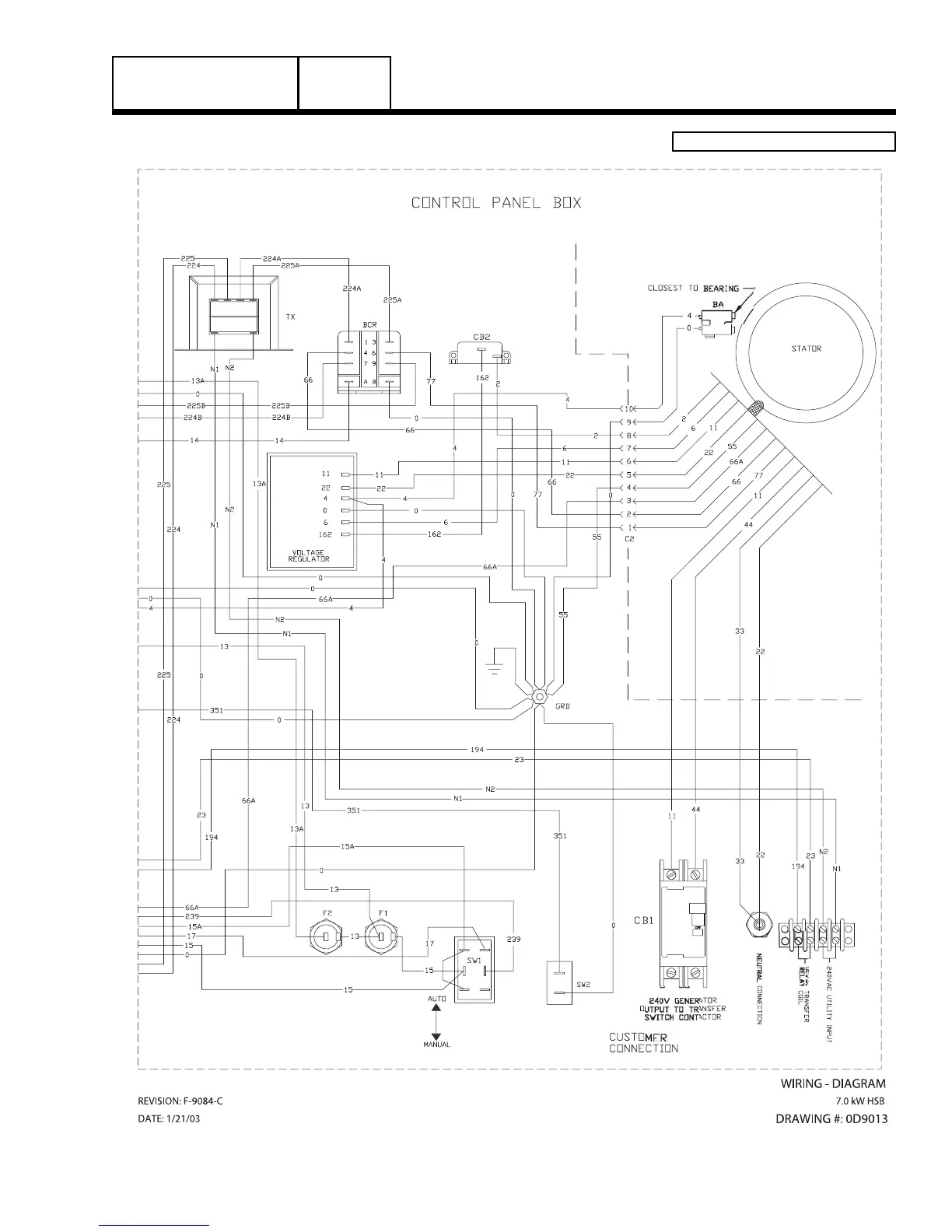
WIRING DIAGRAM, 7 KW HOME STANDBY
MODEL 4389-1
ELECTRICAL DATA
PART 7
Page 7.1-6
DRAWING #0D9013-C (2 OF 2)

Other manuals for Guardian 4389

Related product manuals