EasyManua.ls Logo

Gulfstream G550 - Page 33

Gulfstream G550
94 pages
Print Icon
To Next Page IconTo Next Page
To Next Page IconTo Next Page
To Previous Page IconTo Previous Page
To Previous Page IconTo Previous Page
Loading...
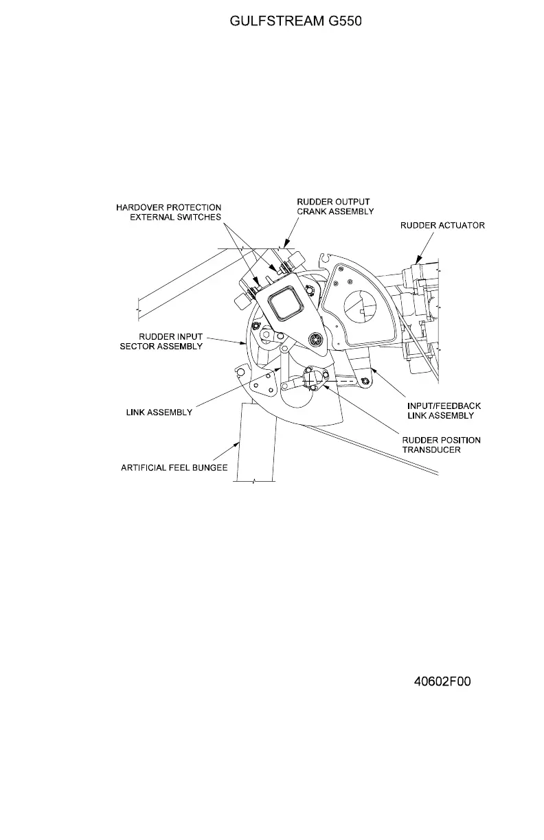
Control Cable Termination at Rudder Actuator
Figure 8
OPERATING MANUAL
PRODUCTION AIRCRAFT SYSTEMS 2A-27-00
Page 33
August 14/03
Title Page
Prev Page
Next Page
TOC

Related product manuals