EasyManua.ls Logo

Gulfstream G550 - Page 67

Gulfstream G550
94 pages
Print Icon
To Next Page IconTo Next Page
To Next Page IconTo Next Page
To Previous Page IconTo Previous Page
To Previous Page IconTo Previous Page
Loading...
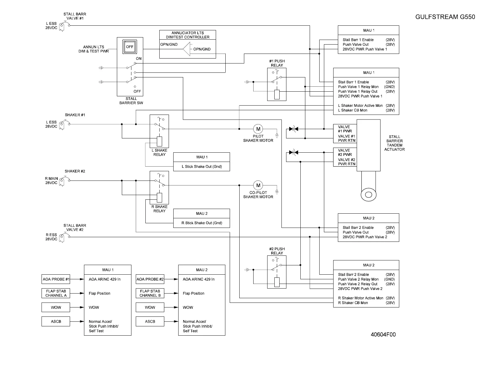
Stall Warning / Stick
Pusher Block Diagram
Figure 17
OPERATING MANUAL
2A-27-00
Page 67 / 68
August 14/03
Title Page
Prev Page
Next Page
TOC

Related product manuals