EasyManua.ls Logo

Gulfstream V - Page 9

Default Icon
38 pages
Print Icon
To Next Page IconTo Next Page
To Next Page IconTo Next Page
To Previous Page IconTo Previous Page
To Previous Page IconTo Previous Page
Loading...
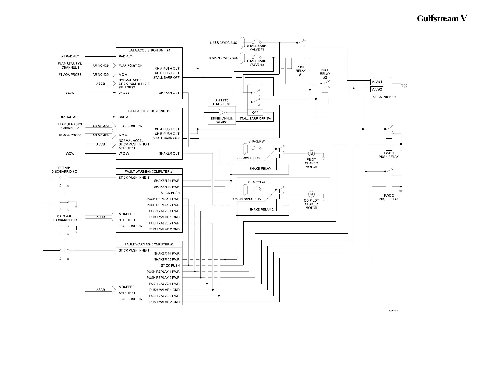
Stall Barrier System Block
Diagram
Figure 3
OPERATING MANUAL
2A-27-00
Page 11 / 12
May 22/01
Title Page
Prev Page
Next Page
TOC

Related product manuals