EasyManua.ls Logo

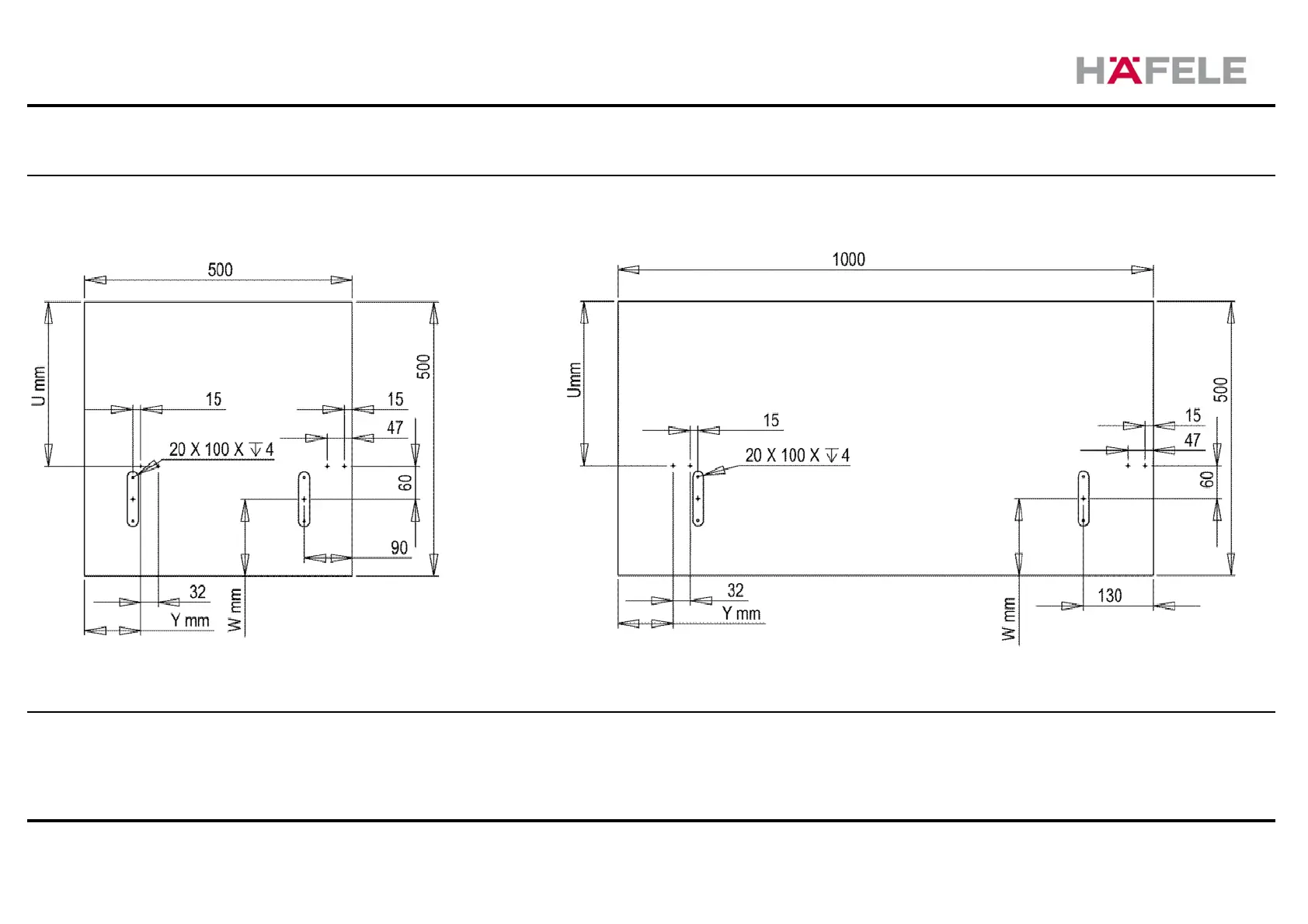
Häfele A7F - Inlay Counter-Side Drilling 500 mm; Drilling for 500 mm Inlay (Counter Side); Inlay Counter-Side Drilling 1000 mm; Drilling for 1000 mm Inlay (Counter Side)

Häfele A7F
15 pages
Print Icon
To Next Page IconTo Next Page
To Next Page IconTo Next Page
To Previous Page IconTo Previous Page
To Previous Page IconTo Previous Page
Loading...
Mounting instruction
Inlay 500 mm, hand side Inlay 1000 mm, hand side
W: Position sollte über Auszugsschiene liegen. Y: Abhängig von Frontendstärke und Holzrahmen.
The measurement of the drilling position must lie over the output rail.
Table feed and frame are dependet.
U: Der Abstand ist abhängig von der Fräsung im Rahmen.
The Measure of the milling is dependet of the frame.
Montageanleitung
V-2.9
LOGO
Einleger 500 mm Gegenseite Einleger 1000 mm Gegenseite
Erstellt von: Buys,T.
Datum: 02.05.18
Häfele GmbH Co KG
E-Mail: info@haefele.de
10 von 15

Related product manuals