EasyManua.ls Logo

Haier AU142AFBEA - Page 246

Haier AU142AFBEA
365 pages
Print Icon
To Next Page IconTo Next Page
To Next Page IconTo Next Page
To Previous Page IconTo Previous Page
To Previous Page IconTo Previous Page
Loading...
>a__WcU[S^ <[c >a`V[e[a`Wc
1 2 3 4 56
A
B
C
D
6
54321
D
C
B
A
Title
Number RevisionSize
B
Date: 23-Sep-2003 Sheet of
File: C:\Documents and Settings\zhanjie \0010451293.DDBn :
+12 1
2
CN4
RTB-1.5-2P
1
2
CN1
XHB2P3
C23
0.1UF/250V
C8
104
C1
2200UF/35V
Vin
1
GND
2
Vout
3
RG1 7805
C7
104
C24
0.1UF/250V
+5
D8 D11
D10D9 L1
VR
N
RW
102
R13
470
C21
470UF/16V
R11
1K
R10
1K
D5
4148
+5
C6
104
CT1
C22
4.7UF/50V
+5
R24
5.1K
R25
5.1K
C17
4.7UF/50V
R1
200K
C16
22uF/250V
R3
62K/3W
R4
62K/3W
R2
62K/3W
D2
4007
D1
4007
D3
4007
D4
4007
R16
10K/0.5W
R15
10K/0.5W
S
R6
2.2K
C2
103
R5
33K
IC2
TLP521-1
IC1
TLP371
R8
1K
R7
10K
R12
560
C3
103
C4
103
+5
+5
+12
+12
C5
104
JK5
OJE-SS-112DM
JK7
OJE-SS-112DM
A1
1
A2
2
A3
3
A4
4
A5
5
A6
6
A7
7
Q7
10
Q6
11
Q5
12
Q4
13
Q3
14
Q2
15
Q1
16
GND
8
VCC
9
IC4
ULN2003A
1
2
CN5
B2B-VH-W
R19
10K
R18
10K
R17
10K
C10 103
C11 103
C12 103
1
2
CN2
VHB2B
R30
5.6K
L1
R31
5.6K
N
TEST
OSC1
4MHz
+5
+5
LED1
+5
+5
FUSE
T3.15A/250V
“Õ
Ÿ••˜•˜ŒÕ
Ÿ••˜•˜
C20
104
EX TH TEMP TH
1
2
CN7
B2B-VH-B
IRQ
1
PTA0
2
PTA1
6
PTA2
8
PTA3
9
PTA4
23
PTA5
27
VSS
3
OSC1
4
OSC2/PTA6
5
VDD
7
PTB0
21
PTB1
20
PTB2
18
PTB3
17
PTB4
15
PTB5
12
PTB6
11
PTB7
10
PTD0
16
PTD1
19
PTD2
24
PTD3
22
PTD4
26
PTD5
25
PTD6
14
PTD7
13
RST
28
IC3
MC68HC908JL3ECP
1
2
CN11
XHB2B
C25
104
R26
47K
R27
10K
C27 103
1
2
CN10
VHB2B
R20
10K
•têz3
JK1
JQ1P
JK2
OJE-SS-112DM
1
2
3
CN9
B3B-VH-W
R23
560
R9
1M
+5
1
2
CN3
XHB2B
1
2
CN12
XHB2B
LX102
LX1
D14D15
D13D12
0057W
250
250
250
250
250
L
H
S14K350
22326734;5
R21
10K
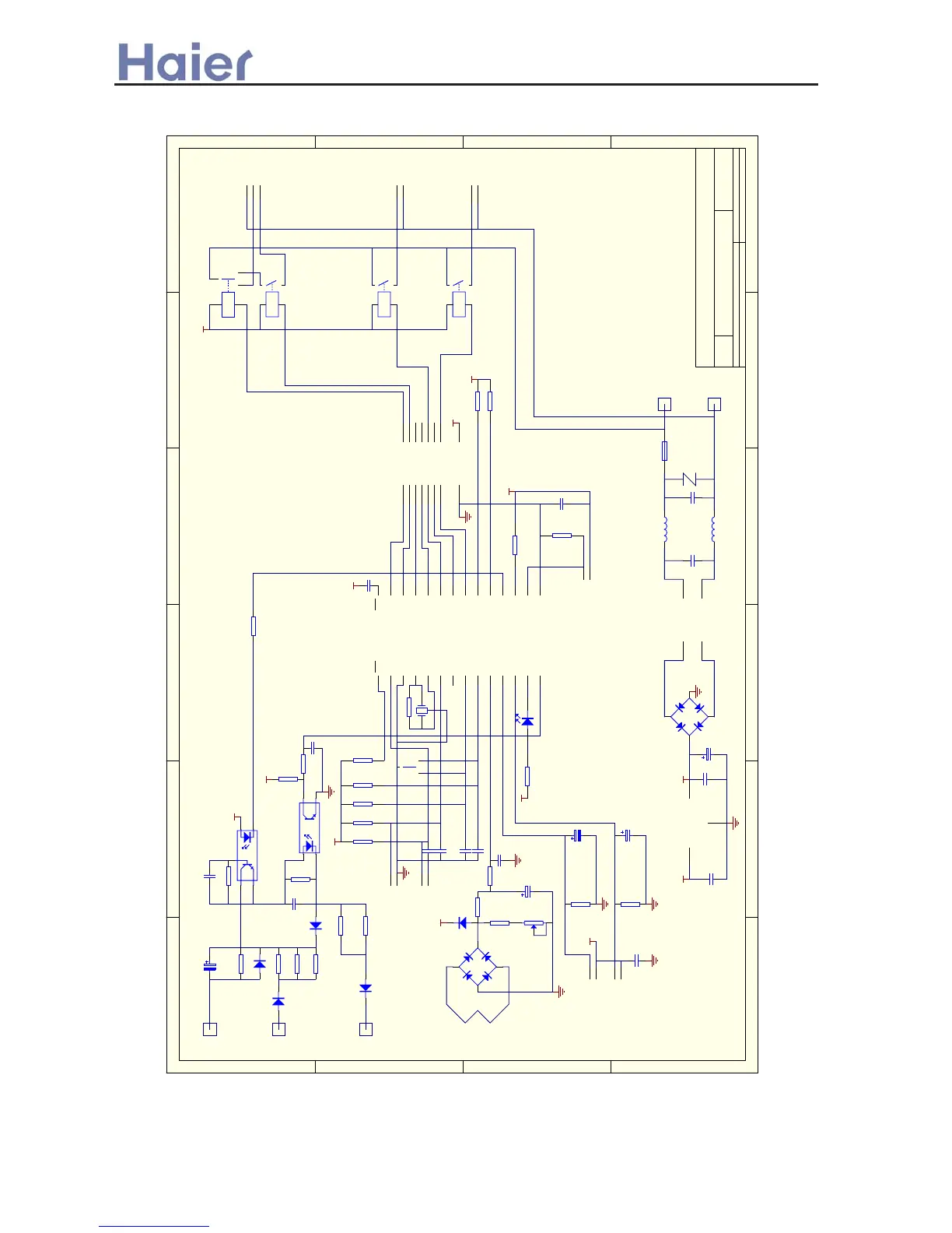
AU242AHBEA, AU282AHBEA PCB circuit diagram
-246-

Table of Contents

Related product manuals