EasyManua.ls Logo

Haier EB-3690EG - Page 2

Haier EB-3690EG
8 pages
Print Icon
To Next Page IconTo Next Page
To Next Page IconTo Next Page
To Previous Page IconTo Previous Page
To Previous Page IconTo Previous Page
Loading...
No one except the professional technicians can decompose the microwave oven. Electric shock
danger may occur!
Do not put metal stick into the interlock hole at the front of the cavity. It may cause microwave leakage!
Do not add excessive force to opposite direction on the door. Otherwise the door may be deformed
and cause microwave leakage.
Do not cook food with vacuum package or packed into enclosed container. For the food with skin,
remember to puncture it before cooking.
Do not cook eggs with shell. It may cause bursting.
Remove the grease remained in the cavity . Otherwise it may cause smoking or fire in heating.
Do not use the microwave oven for purposes other than cooking.
Be sure to earth the microwave oven reliably in installation and usage.
Reserve enough space for the rotation of the tray At least 5cm space above the microwave oven.
is required for heat radiation.
Do not put microwave oven in humid or high-temperature environment.
Do not touch the upper part of the shell and the outer screen of the door . It may cause scalding.
Do not run the microwave oven without load. It may damage the microwave oven.
Do not use metal container to cook with microwave oven. It may cause igniting phenomenon.
After long time cooking, the cavity is under high temperature. It is suggested to wait for some time
to cool it down before next usage.
Before usage, please check if the cooking utensils are applicable for microwave oven.
When cooking food with plastic or paper package, be sure to check if it strikes a fire.
If there's smoking during cooking with microwave oven, please keep the oven door closed and pull
off the power plug.
If you heat beverage, it will slowly expand. Be sure to watch out for bursting.
For those drinks or food prepared for children, be sure to stir or shake evenly and check the tem-
perature before feeding to avoid scalding.
During maintenance, be sure to switch off the power supply . To decompose the shell of the oven, be
sure to have it done by professional technicians. The inner components are electrified, and may
cause electric shock.
Children shall use the microwave oven under the instruction of adult, or use the oven by self after
they have received complete instruction and description from the adult. The adult shall teach the
children the general knowledge on the danger of operating the microwave oven.
The door seal and all of the relative parts shall be cleaned with soap liquor once each week to keep
the cavity clean.
If the power cord is damaged, only the sellers or professional technicians authorized by the manu-
facturer can make maintenance to avoid any electric shock danger.
If you use cook utensils not recommended by us, be sure to watch out for the cooking proceeding in
the microwave oven.
If the door , door frame or door seal is damaged, do not use the oven before it is repaired by the
professional technicians.
If you heat liquor , in handling the liquor , please notice that the boiled liquor may have delayed
bursting and cause scalding.
Warning!
2.
3.
4.
5.
6.
7.
8.
9.
10.
11.
12.
13.
14.
15.
16.
17.
18.
19.
20.
21.
22.
23.
24.
25.
26.
1.
13
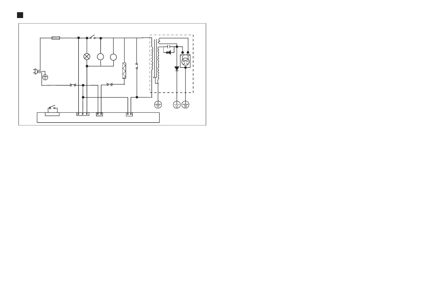
Electrical schematic diagram
L
N
FUSE
MF
The door
interlock switch
HVC
Magnetron
MT
Lamp
The Primary
interlock switch
Thermostat
Monitoring switch
Fan motor
Turn table motor
E
HVT
F
FA
AK
Rectifier
HVD
Grill heater
R
W
Thermostat
CPU
The secondary
interlock
switch
RELAY
RG
RELAY

Related product manuals