EasyManua.ls Logo

Haier HADG6DCS56B - Instalação Elétrica

Haier HADG6DCS56B
250 pages
Print Icon
To Next Page IconTo Next Page
To Next Page IconTo Next Page
To Previous Page IconTo Previous Page
To Previous Page IconTo Previous Page
Loading...
Instalação Elétrica
Todo o trabalho de instalação deve ser realizado por um técnico ou por um
eletricista qualificado. Antes de fazer a ligação à corrente elétrica, deve assegurar-
se de que a tensão elétrica corresponde à tensão indicada na placa de
identificação.
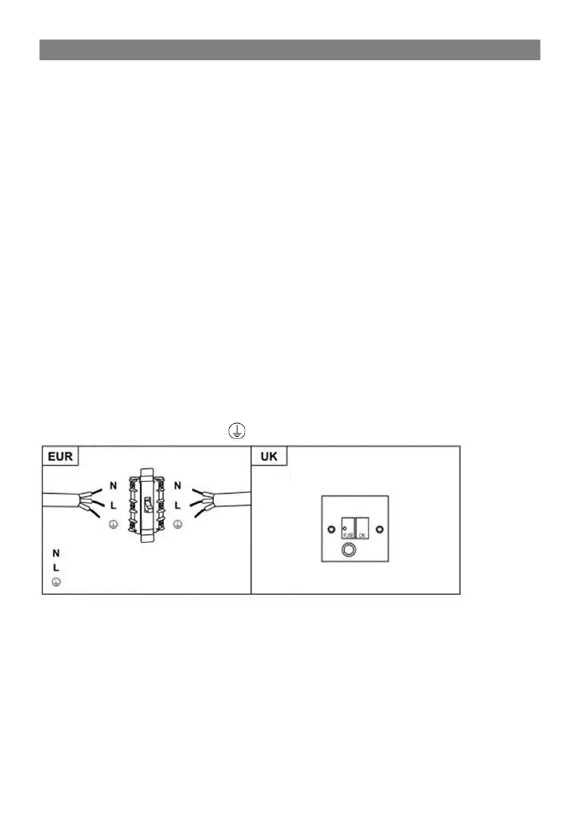
Ligação Direta
O aparelho deve ser ligado diretamente à rede elétrica utilizando um disjuntor
omnipolar com uma abertura mínima de 3 mm entre os contactos.
O instalador deve garantir que foi efetuada uma ligação elétrica correta e em
conformidade com o esquema de cablagem.
O cabo não deve ser dobrado ou comprimido.
Verifique regularmente se a ficha e o cabo de alimentação apresentam danos. Se
o cabo de alimentação estiver danificado, deve ser substituído por um cabo
especial ou conjunto disponível no fabricante ou no seu agente de serviço.
AVISO: Este aparelho é de Classe I e DEVE ser ligado à terra. Este aparelho é
fornecido com um cabo de rede de 3 núcleos colorido da seguinte forma:
Castanho = L ou Vivo
Azul = N ou Neutro
Verde e Amarelo = E ou Terra
O fusível deve ser classificado em 3 Amps.
(Azul)
(Castanho)
(Verde / Amarelo)
USE UM FUSÍVEL
TOMADA DE ESPORÃO FUNDIDO
DE POLO DUPLO
62

Table of Contents