EasyManua.ls Logo

Haier YR-E12 - Page 12

Haier YR-E12
58 pages
Print Icon
To Next Page IconTo Next Page
To Next Page IconTo Next Page
To Previous Page IconTo Previous Page
To Previous Page IconTo Previous Page
Loading...
Chff^j\bZe Abj Chg]blbhg^j
7^]]TRcX]V fXaX]V \TcW^S ^U aTRTXeTa 2
ETUTa cWT X]S^^a d]Xc fXaX]V SXPVaP\ {
FPUTch RPdcX^]b bTT cWT T[TRcaXRP[ fXaX]V _Pac {
~{9\TaVT]Rh bfXcRW
* {Ed]]X]V [P\_2 JWT] cWT R^\_aTbb^a f^aZX]Vy cWXb [P\_ QaXVWc{
+ {GX\X]V [P\_2 JWT] cWT d]Xc QTT] bTccX]V GX\X]V ad]]X]Vy cWXb [P\_ QaXVWc{
, {D^fTa [P\_2 5UcTa ^_T] cWT d]Xcy cWXb [P\_ QaXVWc fWT] cWT d]XcT T]cTa
WTP[cW ad]]X]Vy cWT [P\_ RWP]VT Ua^\ ^aP]VT c^ Q[dT [P\_{
- {=]S^^a cT\_{ bT]b^a2 GTbc cWT a^^\ cT\_TaPcdaT{
~
+
,
-
*
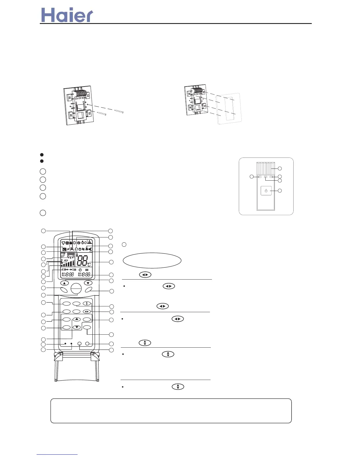
=]bcP[[PcX^] ^U aTRTXeT SXb_[Ph
6TRPdbT ^U cWT cT\_TaPcdaT bT]bXcXeT STeXRTy S^ ]^c X]bcP[[ cWT aTRTXeT SXb_[Ph Pc bcaPXVWc bd][XVWc _[PRTy
TXcWTa X] Ua^]c ^U PXa ^dc[Tc VaX[[y U^a Xc Xb TUUTRcTS VaTPc[h Ua^\ R^^[ PXa P]S WTPc PXay cWT aTRTXeT SXb_[Ph Xb
Pc [TPbc *}\\ SXbcP]RT c^ cWT PXa ^dc[Tc VaX[[{
FX]RT cWTaT Xb [XVWc bT]bXcXeT STeXRT fWXRW aTRTXeTb fXaT[Tbb aT\^cT bXV]P[y b^ S^ ]^c X]bcP[[TS QTWX]S cWT
fX]S^f RdacPX] ^a ^cWTa ^QbcPR[Tby X] ^aSTa ]^c c^ ^QbcadRc cWT bXV]P[{
Adbc UXg cWT aT\^cT R^]ca^[ fXaT UPa Ua^\ bca^]V T[TRcaXRXch ubdRW Pb cWT fXaX]V ^U T[TRcaXR [XVWcy PXa R^]Sz
XcX^]Tay TcR{v P]S fTPZ T[TRcaXRXch ubdRW Pb cWT fXaX]V ^U cT[T_W^]Ty X]cTa_W^]Ty TcR{v{
*{D[PRT cWT _P]T[ ^]c^ cWT UXgTS UaP\Ty _Ph PccT]cX^]
cWPc cWT U^da R[Pfb \dbc QT _[PRTS X]c^ cWT
R^aaTb_^]SX]V U^da _^[Tb ^] cWT UaP\T
~{:Xg cWT aTRTXeT SXb_[Ph fXcW bRaTfb
^] cWT bT[TRcTS _[PRT
637 Ig_jZj^] \hgljhee^j XQ2H;:
CB
C::
SEMP
HEALSH FAN
MODE
RLEEP
RVING
CLOCK
SIMEQ
RES
LOCKLIGHS
QERES
*
*1
HEALSH AIQFLOV
FQERH
RSEQILIYE
CODE
~
+
,
-
.
/
0
1
~}
~~
~*
~+
~,
~-
~.
~/
~0
~1
*~
*+
*,
*-
*.
*0
*}
6
5
*/
**
+}
+~
_
*
9gRT_c NbfX]VON<TP[cW 5XaTU[^fONFcTaX[XiTO Ud]RcX^]y cWT ^cWTa QPbXR
Ud]RcX^]b PaT bP\T fXcW LEz</~y _[TPbT aTUTaT]RT LEz</~ \P]dP[{
NFfX]VO Ud]RcX^] STbRaX_cX^]2
Ddc [^deTab Pc d_ _^bXcX^] X] R^^[X]V P]S S^f] _^bXcX^] X] WTPcX]V \^ST{
GWXb fX[[ QT WT[_Ud[ c^ ZTT_ P] TeT] a^^\ cT\_{
B^cT2
FXST Ua^\ bXST
:XgTS _^bXcX^]
DaTbb cWT FJ=B; PVPX] c^ UXg cWT
W^aXi^]cP[ [^deTab Pc h^da STbXaTS _^bXcX^]{
FfX]V
DaTbb FJ=B; cWT W^aXi^]cP[
[^deTab \^eT Ua^\ d_ c^ S^f]{
:XgTS _^bXcX^]
DaTbb cWT FJ=B; PVPX] c^ UXg cWT
eTacXRP[ [^deTab Pc h^da STbXaTS _^bXcX^]{
FfX]V
DaTbb FJ=B; cWT eTacXRP[
[^deTab \^eT Ua^\ bXST c^ bXST{
~+
z 12 z

Related product manuals