EasyManua.ls Logo

Haier YR-E17A - Wired Controller Wiring Instruction; Wiring Connections

Haier YR-E17A
40 pages
Print Icon
To Next Page IconTo Next Page
To Next Page IconTo Next Page
To Previous Page IconTo Previous Page
To Previous Page IconTo Previous Page
Loading...
34
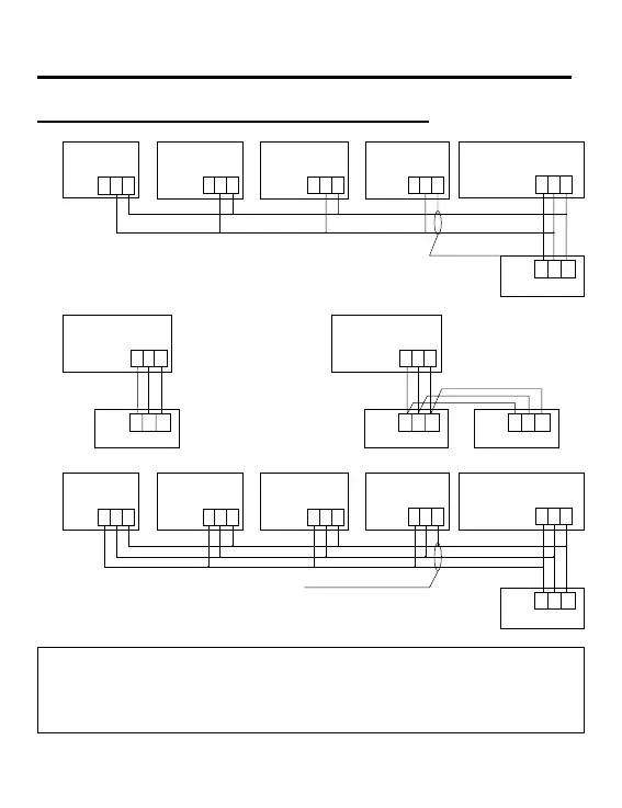
Wired Controller Wiring Instruction
Wiring Connections of Wire Controller
A
A A A A A
A
B B B B B
B
C C C C C
C
Indoor 1 Indoor 2 Indoor N Indoor 15 Indoor 16
(master unit)
Wire controller Wire controller Wire controller Wire controller Wire controller
Wire controller
Control wiring of wire
controller, polar.
B
A
A
B
B
C
C
Indoor 1
Polar wire
Wire controller
Wire controller
A
A A
B
B B
C
C C
Polar wire
Polar wire
Indoor 1
Wire controller Wire controller
Wire controller
C
D
A A A A A
A
B B B B B
B
C C C C C
C
Indoor 1 Indoor 2 Indoor N Indoor 15 Indoor 16
(master unit)
Wire controller Wire controller Wire controller Wire controller Wire controller
Wire controller
Control wiring of wire
controller, polar.
Notice:
For wired controller connection, please do follow the
corresponding indoor unit installation manual's instruction.

Related product manuals