EasyManua.ls Logo

HamGadgets PicoKeyer-Plus - Schematic Diagram

Default Icon
19 pages
Print Icon
To Previous Page IconTo Previous Page
To Previous Page IconTo Previous Page
Loading...
PicoKeyer-Plus 05/25/2014 (Firmware V4.5) Page 19 of 19
Quick Reference & Connections
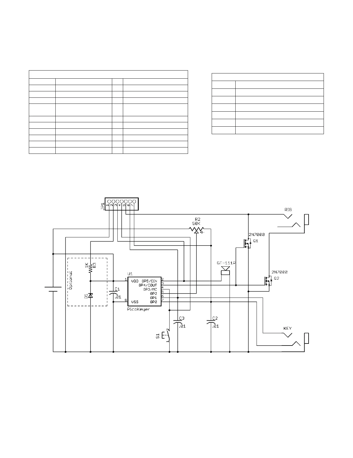
Schematic Diagram
PicoKeyer Menu Quick Reference
2 dits (I)
Send M2
Z
Leading Zeros on/off
3 dits (S)
Send M3
B
Beacon delay
4 dits (H)
Send M4
W
Weight
U
tUne mode
T
Sidetone
S
Speed
K
Keying Mode (A, B,
Umatic, buG, Straight)
M
Memory
P
Paddle reverse
Q
QSO# Set
A
Audio tone
RL
Speed pot Range Lo
D
Xmit precomp. Delay
RH
Speed pot Range Hi
V
Firmware Version
L
Letter spacing 0-9
C
Command mode
X
Cut numbers 0 / 9
F
Factory Reset
Header JP1 Connections
JP1-1
Ground
JP1-2
DC power, 3-14V DC Only
JP1-3
Sidetone Audio
JP1-4
Pushbutton Switch
JP1-5
Keying (60V / 200 mA Max)
JP1-6
DOT paddle input
JP1-7
DASH paddle input

Related product manuals