EasyManua.ls Logo

HAMPTON BAY Radcliffe - Page 10

HAMPTON BAY Radcliffe
18 pages
Print Icon
To Next Page IconTo Next Page
To Next Page IconTo Next Page
To Previous Page IconTo Previous Page
To Previous Page IconTo Previous Page
Loading...
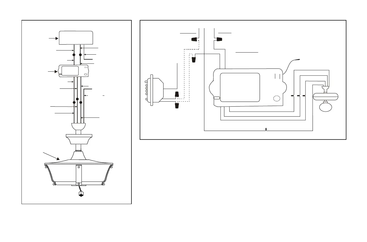
6.
Figure 10
White (neutral)
White (neutral)
Green or bare
copper (ground)
White ("AC IN N")
White ("to motor N")
Ground
(green)
(Connect to
ground wire on
hanger bracket
if no house
ground wire
exists.)
Outlet box
Black (hot)
Black ("AC IN L")
Black ("to motor L")
Receiver
Blue ("for light")
Blue (light)
Black (motor)
Fan
SUPPLY CIRCUIT
Figure 11
Wall
control
Black
Black
Black
Black
Black
Black
Black
Black
White
White
White
White
Blue
Blue
Ground
Ground
Green
Green
INPUT
AC120V
AC SUPPLY

Related product manuals