EasyManua.ls Logo

Handicare 2000 SIMPLICITY - Page 51

Handicare 2000 SIMPLICITY
364 pages
Print Icon
To Next Page IconTo Next Page
To Next Page IconTo Next Page
To Previous Page IconTo Previous Page
To Previous Page IconTo Previous Page
Loading...
ENGLISH
DIRECTION
MOTOR
BATTERY
ISOLATION
BRAKE
CHARGE
DIAGNOSTIC
DISPLAY
33V CHARGE POSITIVE INPUT VOLTAGE
INTERNAL BEND
SPEED SWITCHES
9 WAY CONNECTOR
8 WAY CONNECTOR
5A
(SEE SEPARATE DOCUMENT
FOR CONNECTIONS)
IR/RF
SENSOR 1
IR/RF
SENSOR 2
HINGE SAFETY
SWITCH
SW17
3 W AY
CONN
RED
RED
BLACK
YELLOW
RED
BLACK
YELLOW
DOWN
WHITE
CON-1
CON-1
CON-1
CON-1
CON-1
CON-1
CON-2
CON-2
CON-2
CON-2
CON-2
CON-2
CON-2
1
1
IR 1
IR 2
HINGE
SAFETY I/P
DIAG
CHRG
BRAKE
BK1
BK2
2
1
2
3
1
2
3
2
3
4
5
6
7
8
1
1 1
2
1
3
4
5
6
2
1
3
4
5
6
4
3
2
1
2
3
4
5
6
7
8
9
1
1
1
BLUE
TOGGLE COMMON
BROWN
UP
YELLOWDOWN SAFE EDGE
GREY
SAFE-EDGE COMMON
E-STOP & KEY DETECT
PINK
VIOLETUP SAFE-EDGE
ORANGE
ORANGE
BATT
BK
BK
+
+
+
+
+
-
-
-
-
-
BATT
BATT
BATT
BLACK
BLACK
WHITE
M+
M-
BLACK
RED
BATT
BATT
BATT
MOTOR
M2
M1
MOTOR
BLUE
TAG
BLUE
TAG
YELLOW
TAG
YELLOW
YELLOW
BROWN
PINK
GREEN
PINK
BULLET
BULLET
ORANGE
ORANGE
ORANGE
BROWN LOOP
GREY
VIOLET
6
5
4
3
2
1
2
1
2
1
1
2
2
1
2
1
1
1
1
1 11
1
1
1
1
1
1
2
1
6
5
4
3
2
1
VIOLET
GREY
BROWN
RED
RED
RED
YELLOW
TAG
RED
TAG
RED
TAG
ORANGE
DOWN LIMIT
DOWN LIMIT
YELLOW
UP LIMIT
UP LIMIT
YELLOW
WHITE
PINK
WHITE
SPADE
SPADE SPADE
FINAL LIMIT
HINGE FUSED
AV OUTPUT+
AV OUTPUT-
BLK/WHT STRIPE
SW 0V
HINGE DATA
GREY
24VDC
RED
1
2
3
M
F
M
F
SPADE
M
F
F
M
F
M
M
F
M
F
F
SW16
OSG
SW2
HAND
WINDER
UP TRACK
OVERRUN
DOWN TRACK
OVERRUN
OSG
SW1
SW9
SW5
SW6
SW4
SW7
SW8
SW1
CHASSIS
UNDERPAN EDGE 1
CHASSIS
UNDERPAN EDGE 2
SW2
SW3
SW10
DOWN TRUNNION LIMITS
UP TRUNNION LIMITS
FOOTREST UNDERPAN
SAFE EDGE
FOOTREST UP EDGE
FOOTREST DOWN EDGE
COMMON
FINAL LIMIT
(HINGETRACK ONLY)
iSAFETY ENABLE
SLIDE ENABLE
CSA ENABLE
RIGHT HAND
FAST RAMP
SLIDE DISABLE
iSAFETY DISABLE
CSA DISABLE
BUZZER OFF BUZZER ON
LEFT HAND
HINGE DISABLE
SLOW RAMP
DEFAULT OFF
DIP 1
DIP 2
1
ON
2 3 4 1
ON
2 3 4
M F
PUSH-ON CONNECTOR
= MULTI-PIN CONNECTOR
ALL SAFETY CIRCUITS SHOULD
BE NORMALLY CLOSED
FUNCTION OF DIP SWITCHES
ON HAN125 PCB
KEY:
E-STOP DETECT
CHARGE NEGATIVE THROUGH CHASSIS
1A
25A
4
3
2
1
SW12
SW11
SW13
SW14
SW15
HINGE ENABLE
2
1
(POWERED OPTIONS ONLY)
HINGETRACK COMMS
DATA CONTACT
POWER SWIVEL
DATA CONNECTION
HANDICARE 2000 SIMPLICITY / STYLE INSTALLATION MANUAL 51
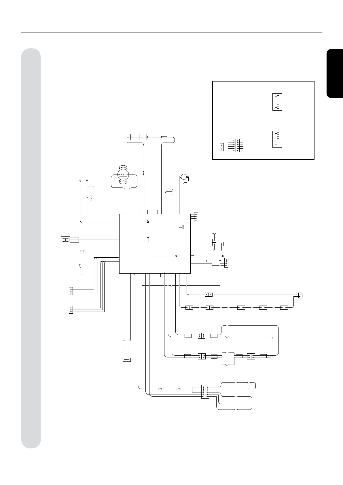
Appendix 3
2000 Simplicity / Style block schematic – RH stairlift – HAN125

Related product manuals