EasyManua.ls Logo

Hansen FROST MASTER PLUS - TYPICAL DEFROST APPLICATIONS; BOTTOM FEED EVAPORATOR; TOP FEED EVAPORATOR

Default Icon
12 pages
Print Icon
To Next Page IconTo Next Page
To Next Page IconTo Next Page
To Previous Page IconTo Previous Page
To Previous Page IconTo Previous Page
Loading...
9
F100d
JAN 2011
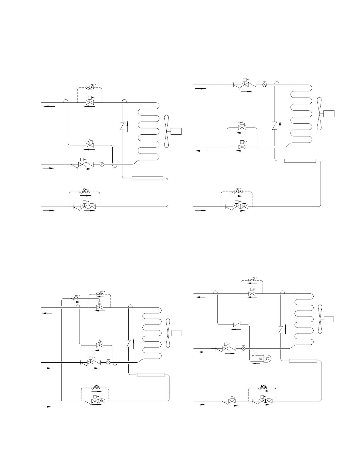
TYPICAL DEFROST APPLICATIONS
These are only examples of possible control valve schemes. As always, they are provided only to assist
system designer in applying and selecting valves and controls. Ultimately, designer is responsible for safe and
satisfactor y operation of any defrost system.
HOT GAS SOLENOID VALVE
SOFT GAS SOLENOID VALVE
HOT GAS LINE
LIQUID SOLENOID VALVE
LIQUID LINE
OVERFEED
WITH ELECTRIC SHUT-OFF.
STOP VALVE, OR REGULATOR
OR GAS-POWERED SUCTION
SUCTION SOLENOID VALVE,
EQUALIZE SOLENOID VALVE
OVERFEED
SUCTION LINE
FAN
CHECK
VALVE
PAN
REGULATOR
DEFROST RELIEF
HOT GAS LINE
SOFT GAS SOLENOID VALVE
HOT GAS SOLENOID VALVE
CHECK
VALVE
PAN
FAN
LIQUID SOLENOID VALVE
WITH ELECTRIC SHUT-OFF.
STOP VALVE, OR REGULATOR
OR GAS-POWERED SUCTION
SUCTION SOLENOID VALVE,
FOR EQUALIZING
WITH WIDE OPENING FEATURE
DEFROST RELIEF REGULATOR
OVERFEED
LIQUID LINE
SUCTION LINE
OVERFEED
BOTTOM FEED EVAPORATOR TOP FEED EVAPORATOR
EVAPORATOR WITH GAS-POWERED
SUCTION STOP VALVE
EVAPORATOR WITH DEFROST
CONDENSATE LIQUID DRAINER
DEFROST RELIEF
HOT GAS SOLENOID VALVE
SOFT GAS SOLENOID VALVE
HOT GAS LINE
LIQUID LINE
OVERFEED
SUCTION LINE
OVERFEED
CHECK
VALVE
FAN
EQUALIZE SOLENOID VALVE
LIQUID SOLENOID VALVE
STOP VALVE
GAS-POWERED SUCTION
PAN
REGULATOR
OVERFEED
SOFT GAS SOLENOID VALVE
HOT GAS SOLENOID VALVE
HOT GAS LINE
LIQUID LINE
OVERFEED
SUCTION LINE
VALVE
CHECK
FAN
EQUALIZE SOLENOID VALVE
LOADED
DEFROST CONDENSATE
LIQUID SOLENOID VALVE
SUCTION SOLENOID VALVE,
OR GAS-POWERED SUCTION
STOP VALVE.
PAN
OUTLET PRESSURE
REGULATOR
CHECK VALVE
LIQUID DRAINER

Related product manuals