EasyManua.ls Logo

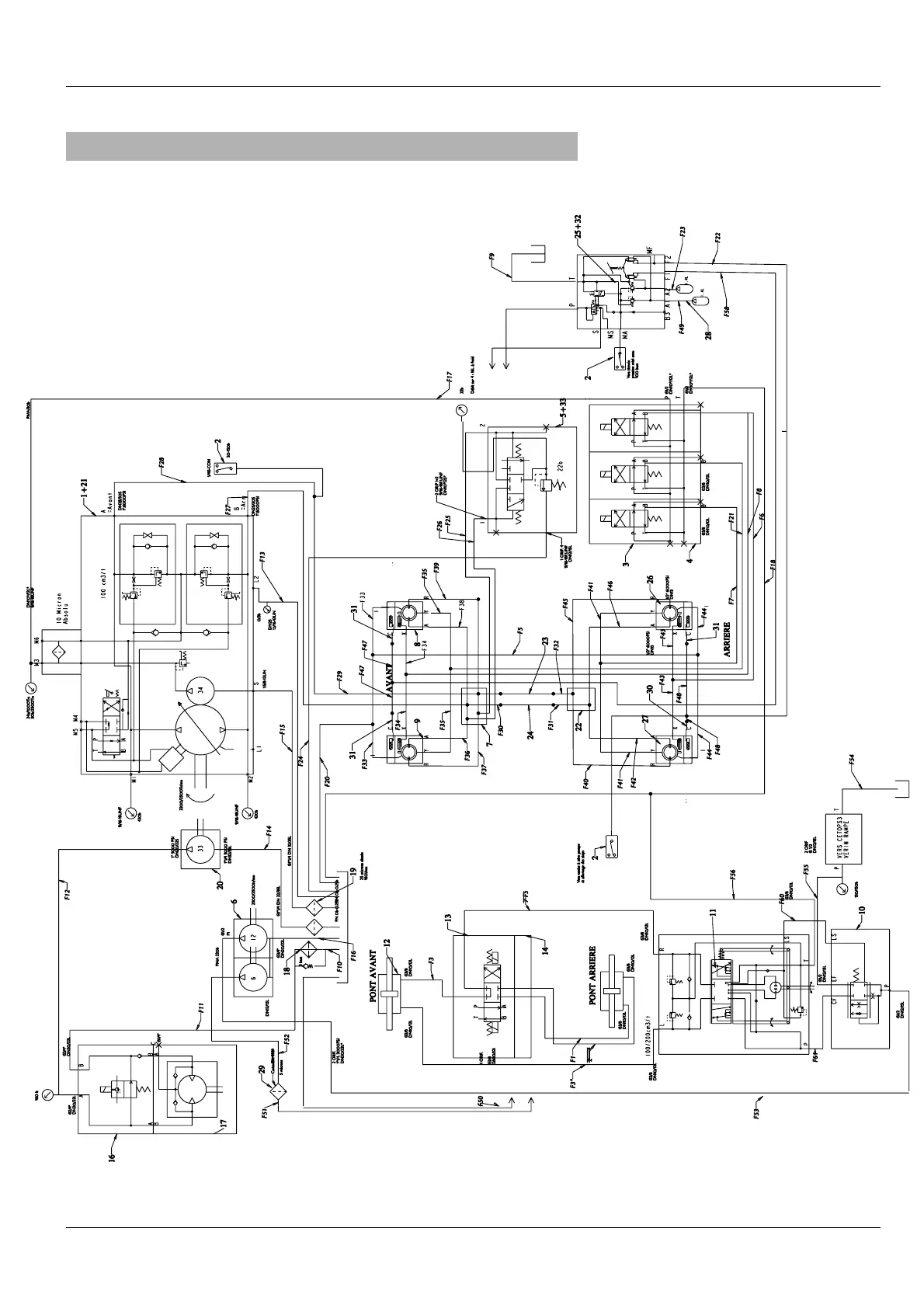
HARDI-EVRARD ALPHA PLUS 4100 - Hydraulic Circuit Diagram (Combined Brake); Combined Brake Hydraulic Circuit

Default Icon
99 pages
Print Icon
To Next Page IconTo Next Page
To Next Page IconTo Next Page
To Previous Page IconTo Previous Page
To Previous Page IconTo Previous Page
Loading...
ALPHA PLUS HARDI NOVA
FF AA UU LL TT SS II NN OO PP EE RR AA TT II OO NN
CHAPTER
66-
9
3
66-
22
-
44
HHYYDDRRAAUULLIICC CCIIRRCCUUIITT ((CCOOMMBBIINNEEDD BBRRAAKKEE))

Related product manuals