EasyManua.ls Logo

Haynes Mini - Page 216

Default Icon
250 pages
Print Icon
To Next Page IconTo Next Page
To Next Page IconTo Next Page
To Previous Page IconTo Previous Page
To Previous Page IconTo Previous Page
Loading...
12•36 Wiring diagrams
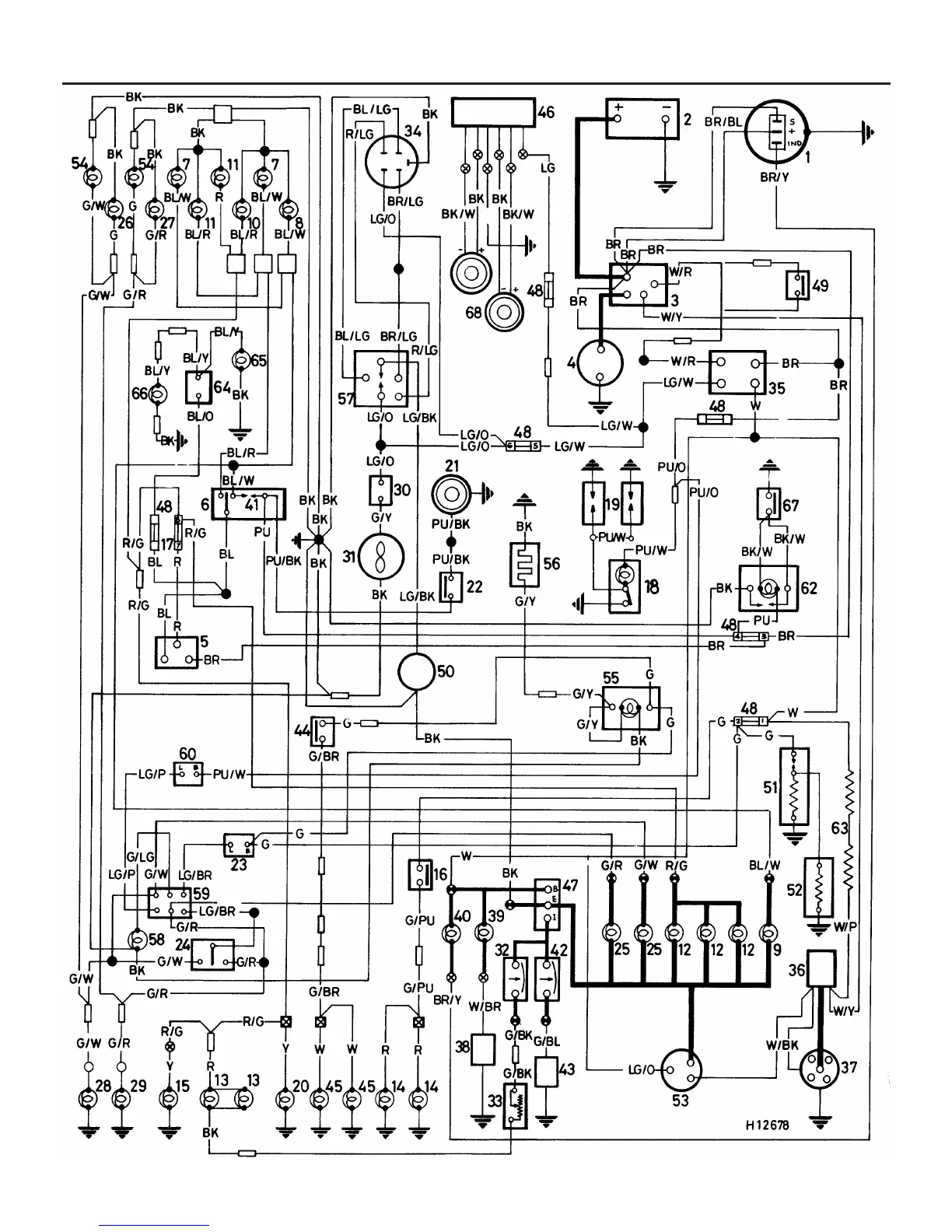
Wiring diagram 17 - all 1984-on carburettor models with multiple instrument pack