EasyManua.ls Logo

Haynes Mini - Page 215

Default Icon
250 pages
Print Icon
To Next Page IconTo Next Page
To Next Page IconTo Next Page
To Previous Page IconTo Previous Page
To Previous Page IconTo Previous Page
Loading...
Wiring diagrams 12•35
12
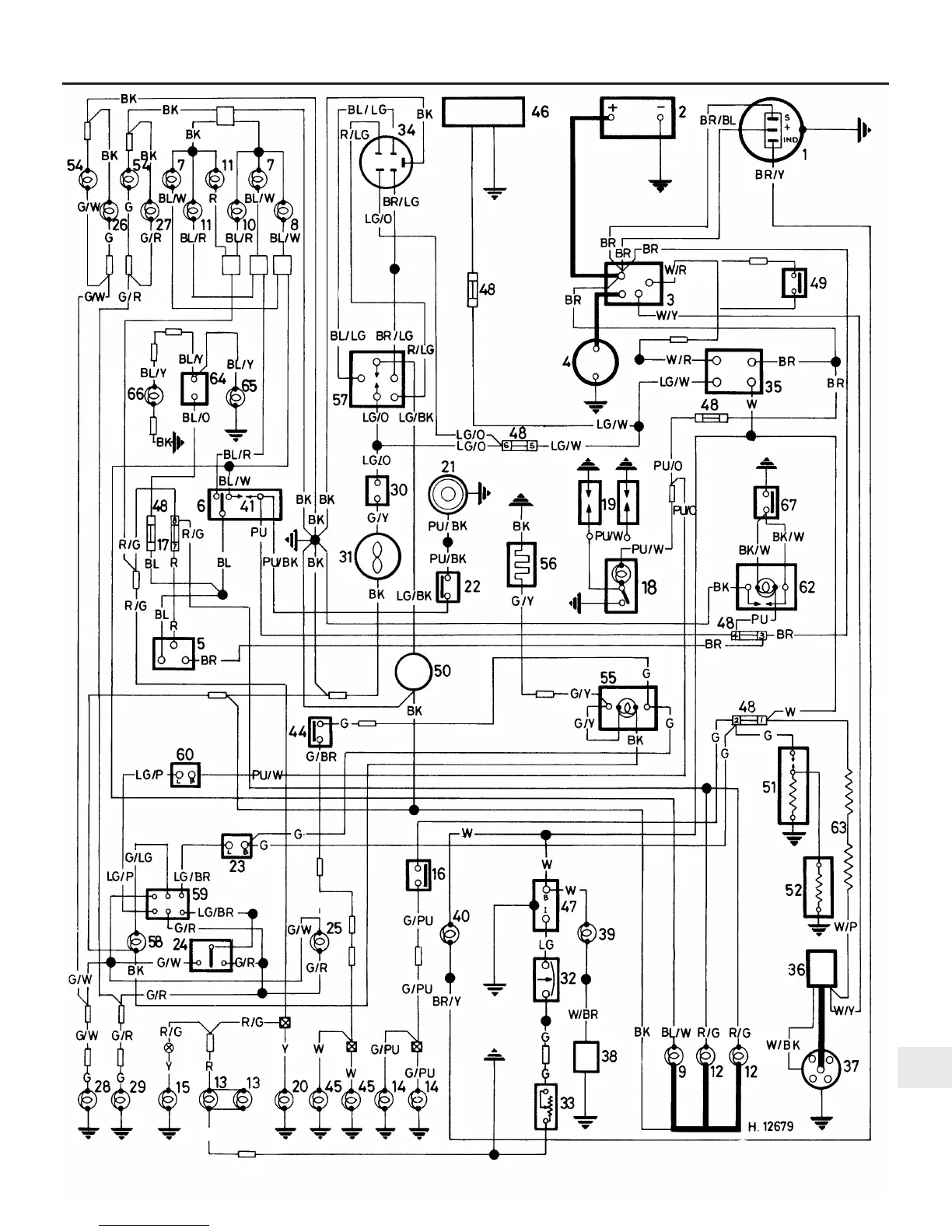
Wiring diagram 16 - all 1984-on carburettor models with single instrument pack