EasyManua.ls Logo

Haynes Mini - Page 218

Default Icon
250 pages
Print Icon
To Next Page IconTo Next Page
To Next Page IconTo Next Page
To Previous Page IconTo Previous Page
To Previous Page IconTo Previous Page
Loading...
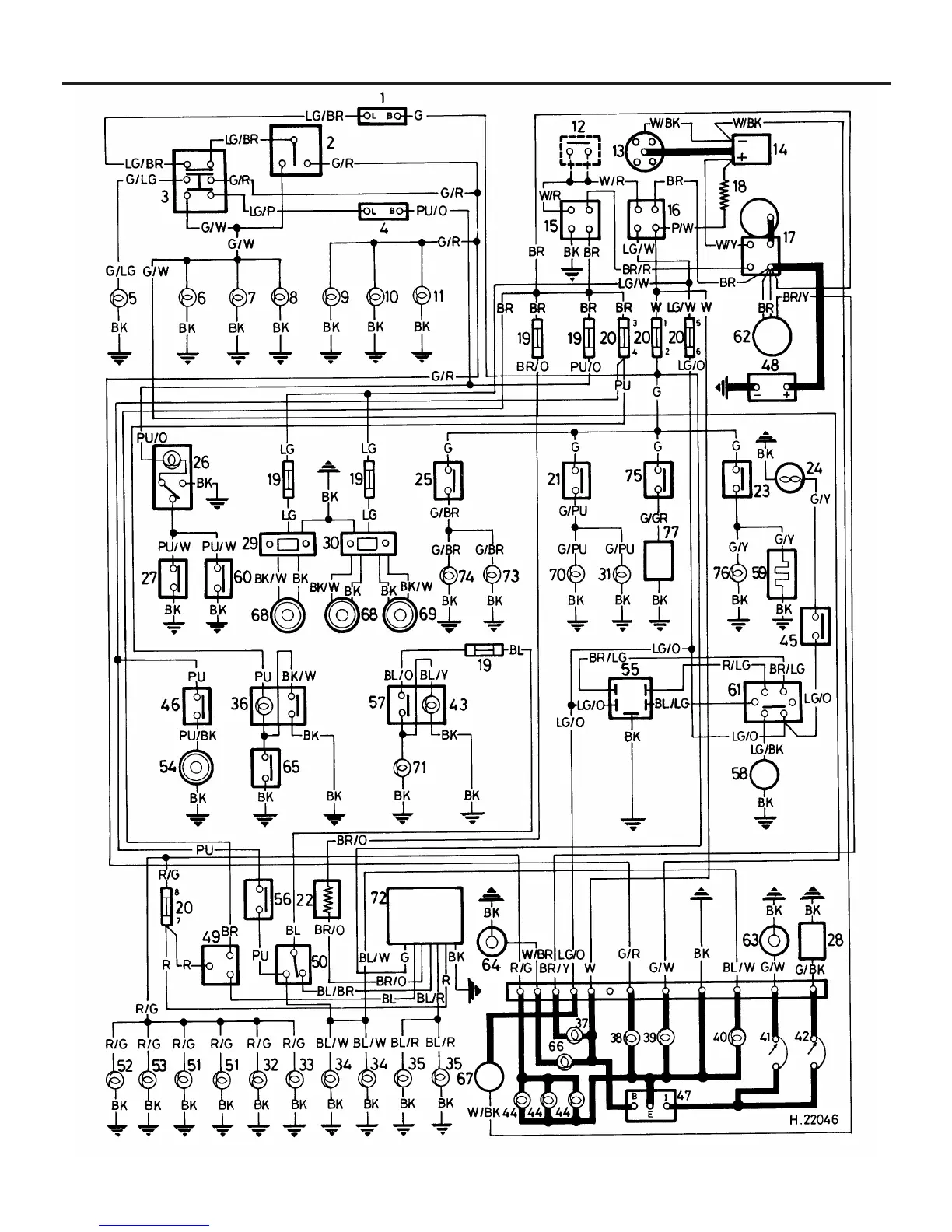
12•38 Wiring diagrams
Wiring diagram 18 - 1988-on carburettor models